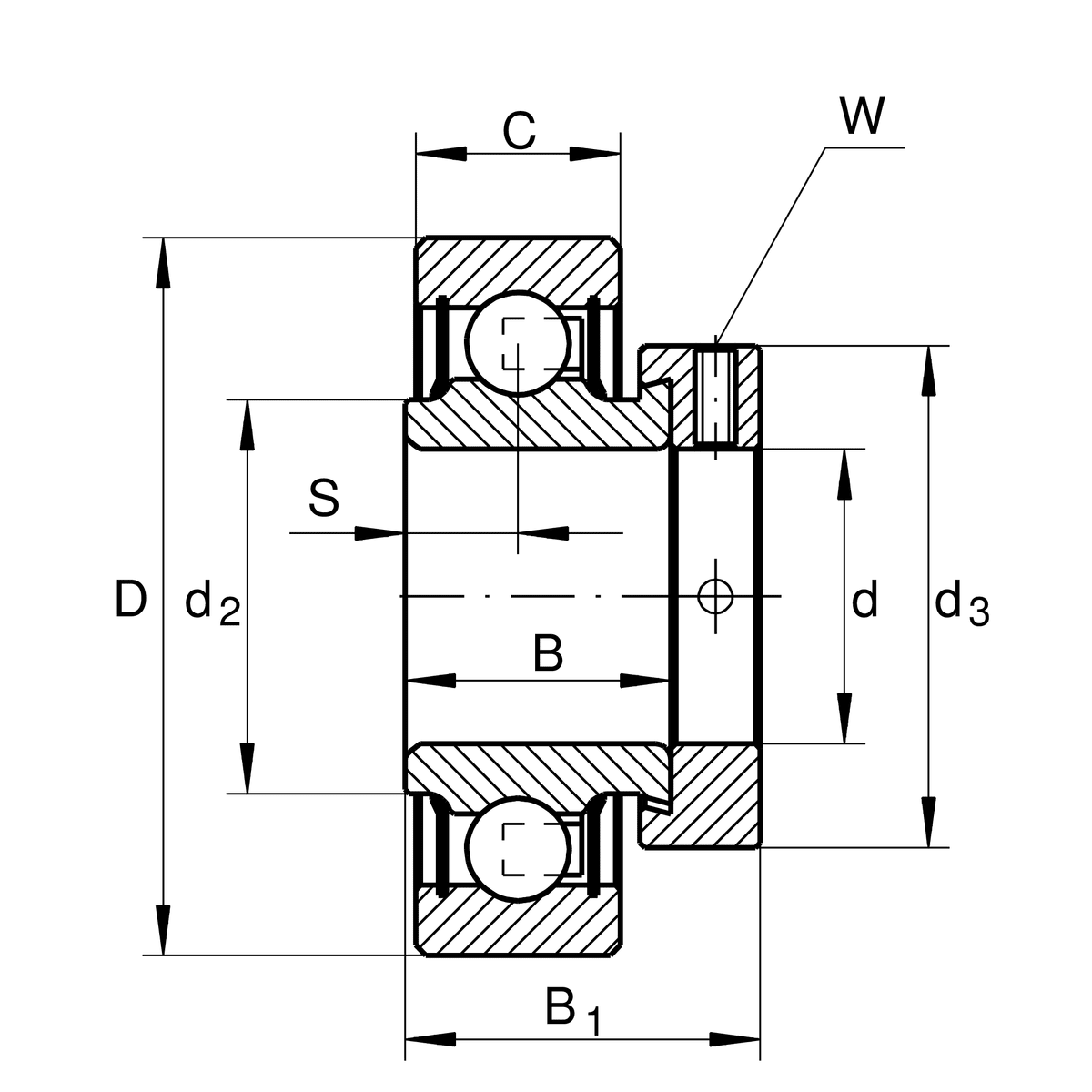
Ložisko RAE 17 NPPB - INA

Rozmer: 17x40x28,6
Externý sklad na dopyt
+
-
ks