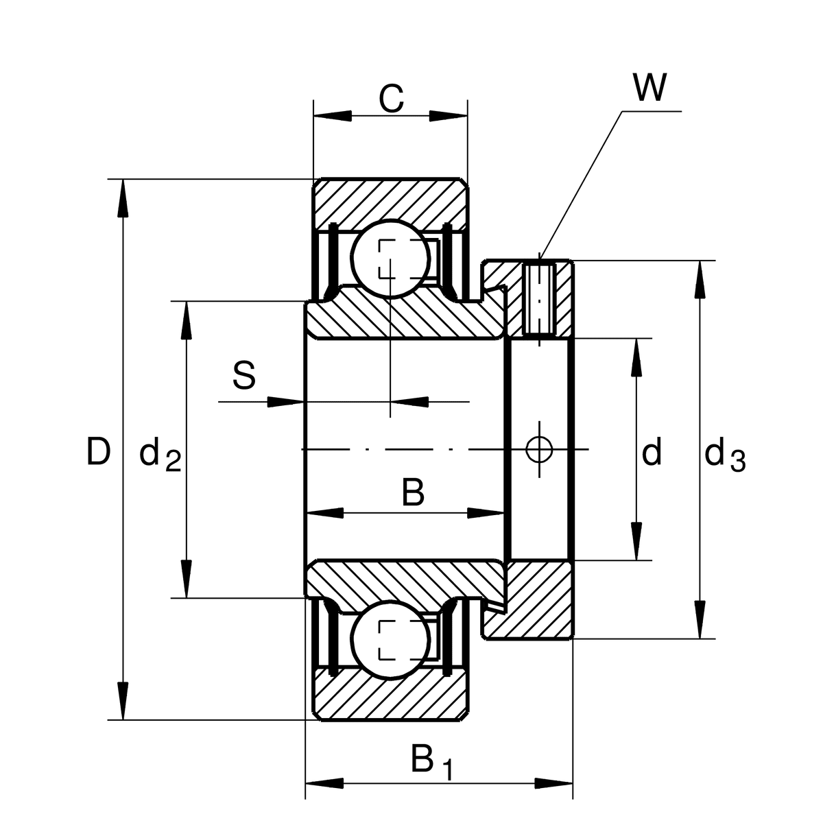
Ložisko RAE 20 NPP FA106 - INA

Rozmer: 20x47x31
Skladom 2 ks na dopyt
+
-
ks