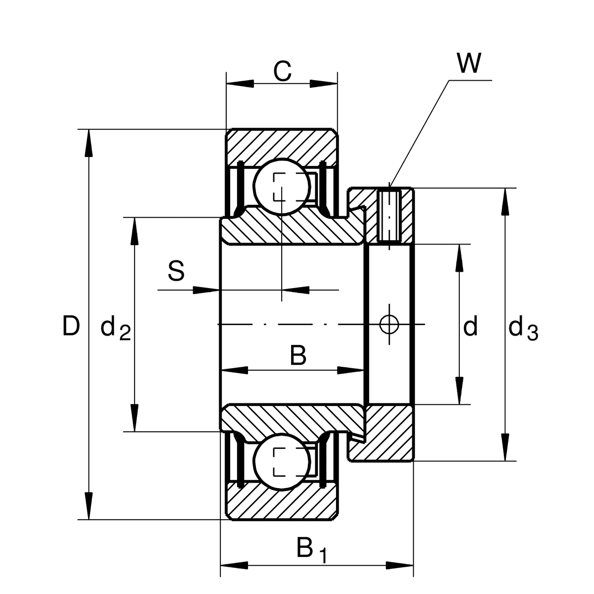
Ložisko RAE 208 NPP - ISB

Rozmer: 40x80x43,7
Skladom 1 ks na dopyt
+
-
ks