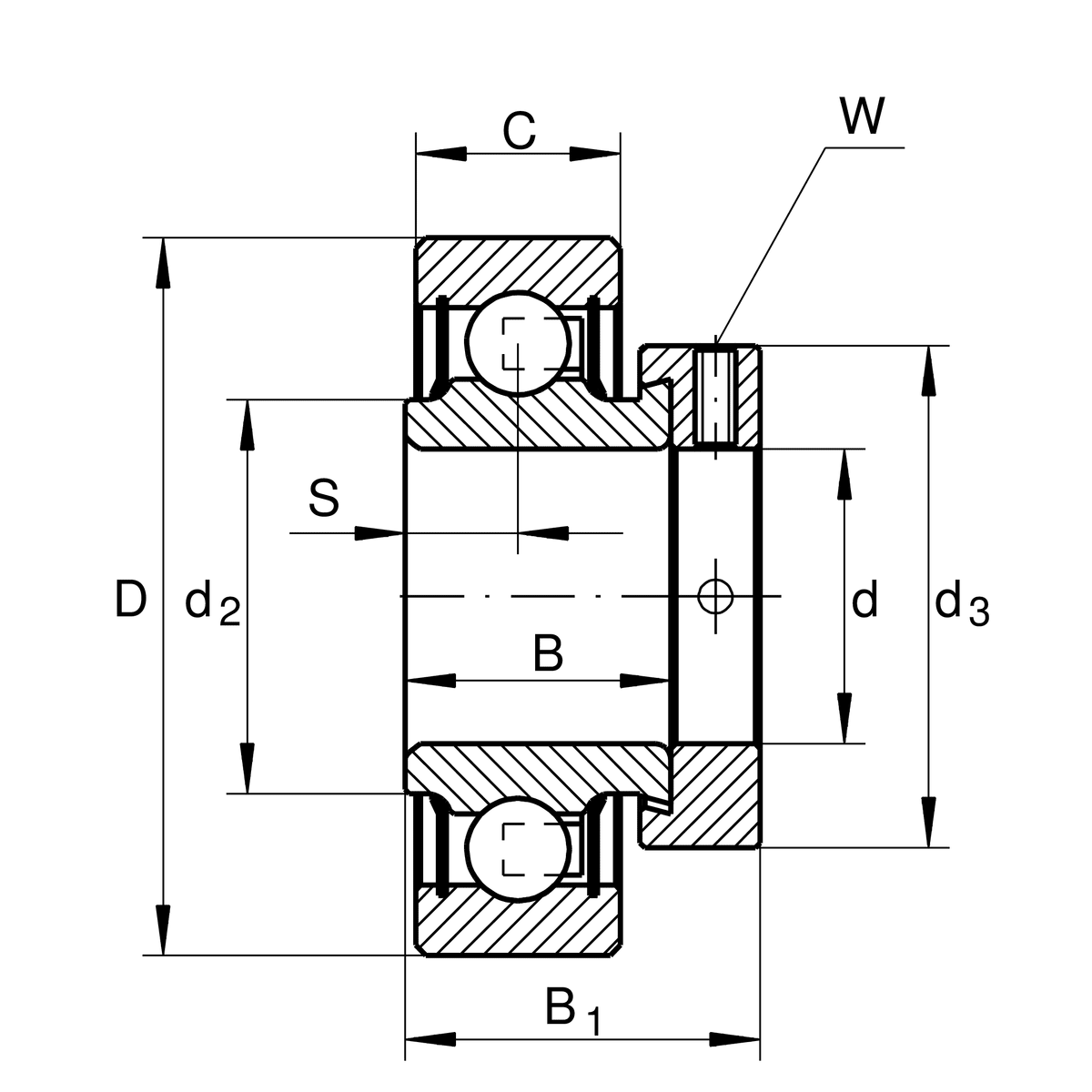
Ložisko RAE 35 NPPB - INA= /SA/ oblý vonk.krúžok samomaz.

Rozmer: 35x72x39
Skladom 3 ks na dopyt
+
-
ks