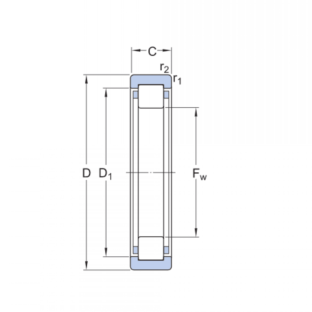
Ložisko RNU 207 - ZKL

Skladom 2 ks na dopyt
+
-
ks