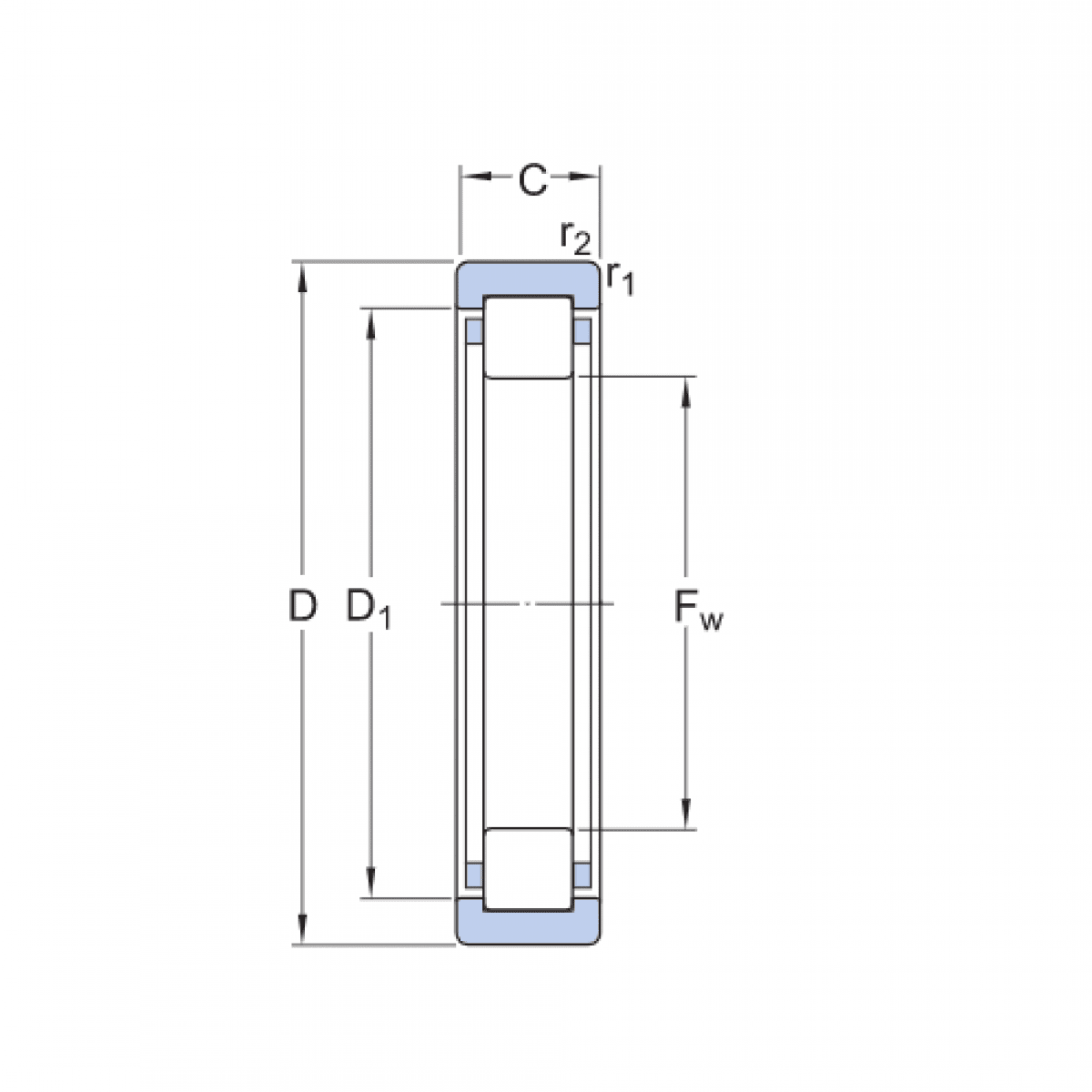
Ložisko RNU 208 - ZKL

Skladom 1 ks na dopyt
+
-
ks