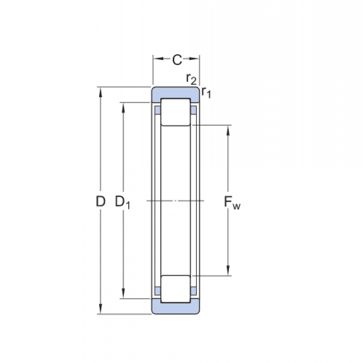
Ložisko RNU 212 TPF - ZKL

Rozmer: 60x110x22
Externý sklad na dopyt
+
-
ks