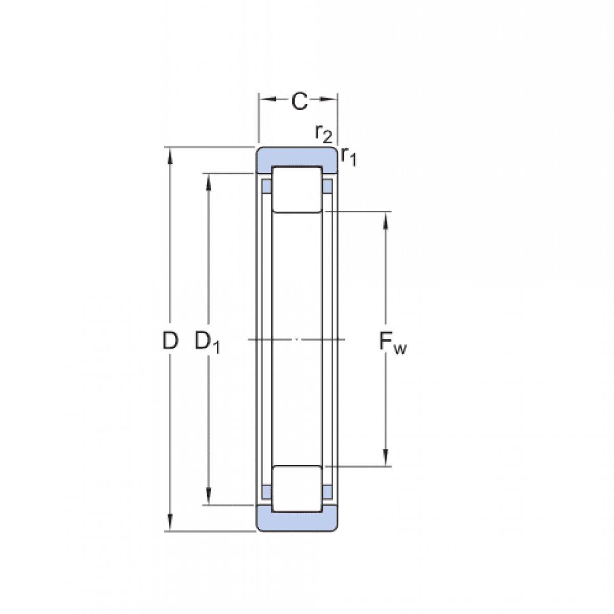
Ložisko RNU 307 - URB

Skladom 1 ks na dopyt
+
-
ks