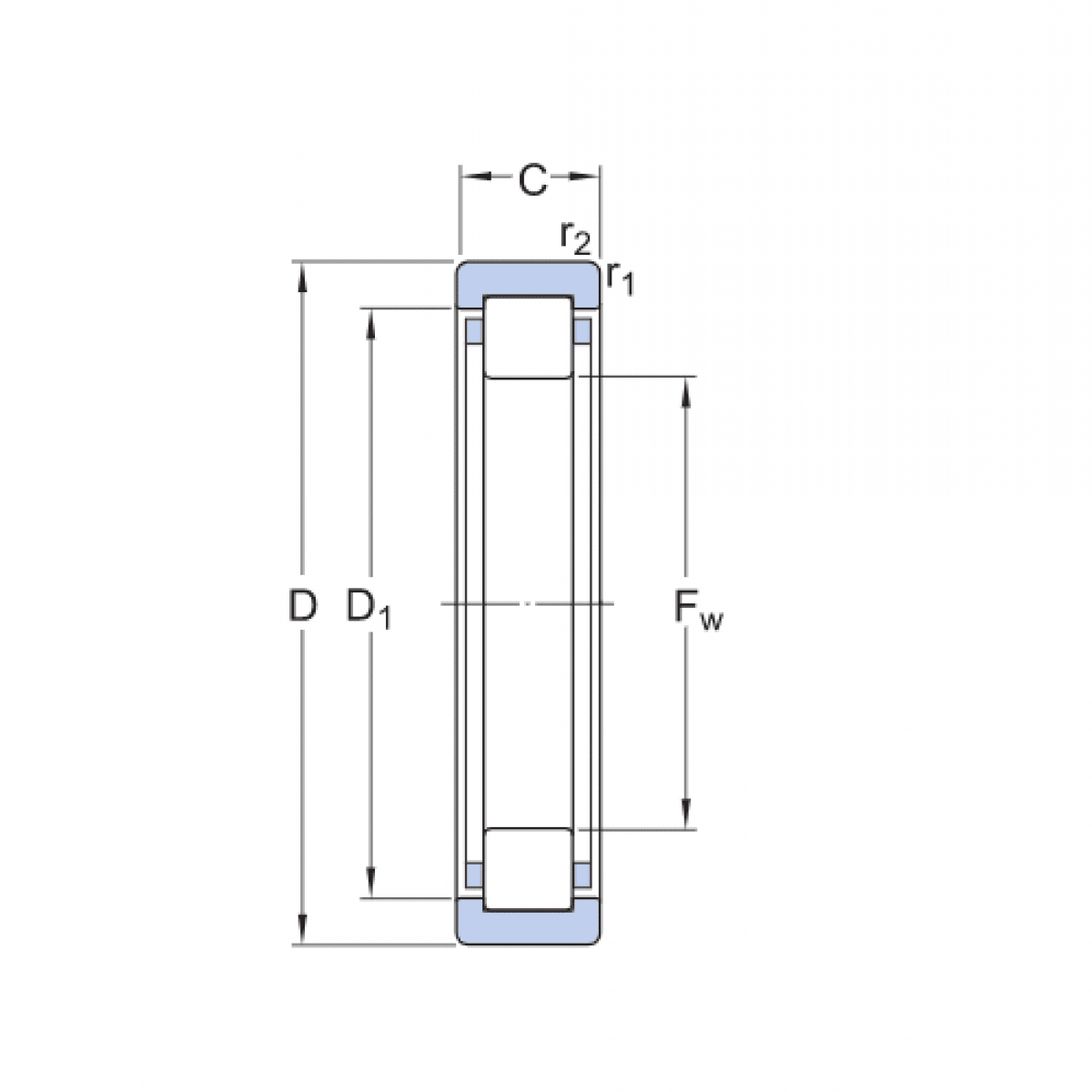
Ložisko RNU 407 - DKF

Rozmer: 35x100x25
Externý sklad na dopyt
+
-
ks