Ložisko SS 6003 2Z - ISB

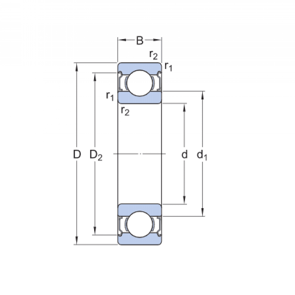
Rozmer: 17x35x10 Značka: ISB, JNS
Skladom 2 ks na dopyt
+
-
ks