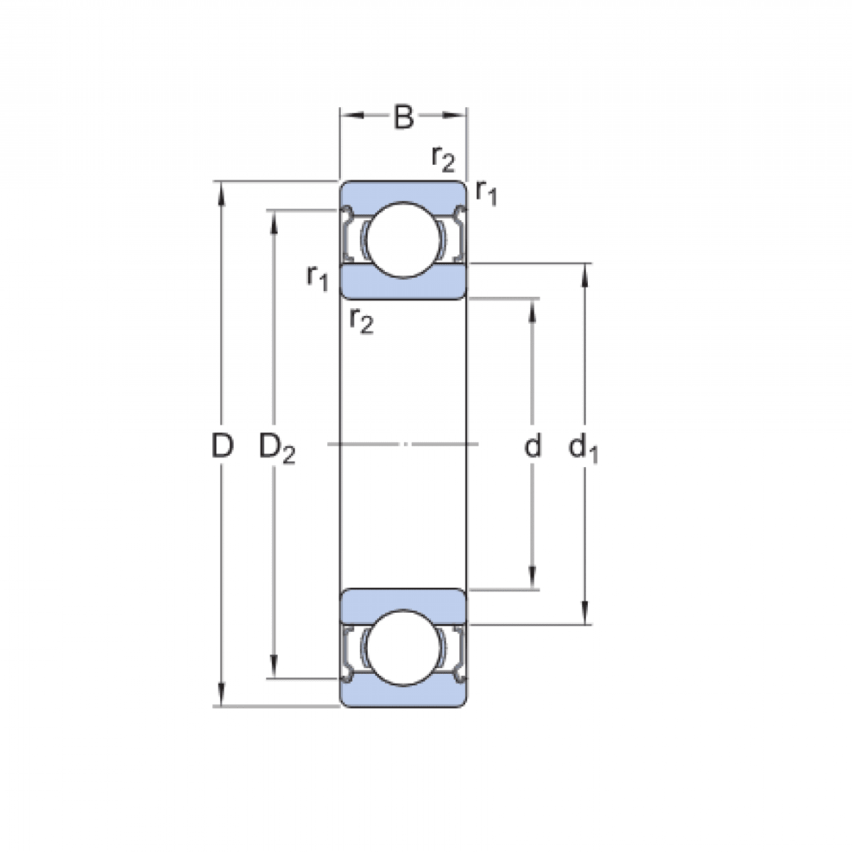
Ložisko SS 6003 2Z - ZEN

Rozmer: 17x35x10
Skladom 7 ks na dopyt
+
-
ks