Ložisko SS 62304 2RS - NEU

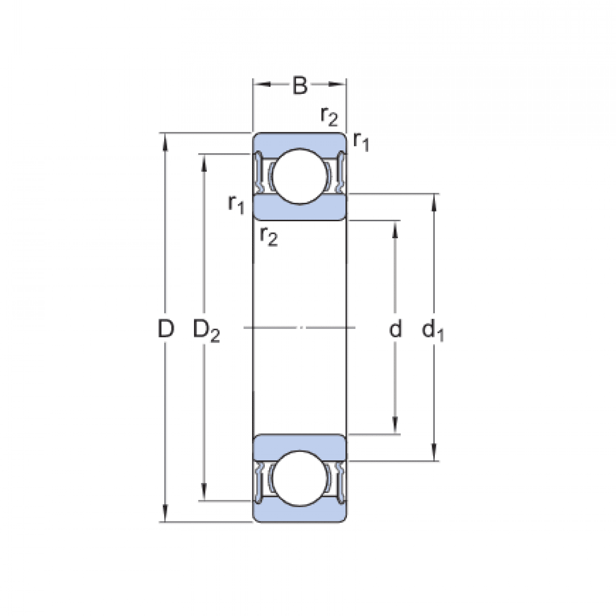
Rozmer: 20x52x21 Značka: NEU
Externý sklad na dopyt
+
-
ks