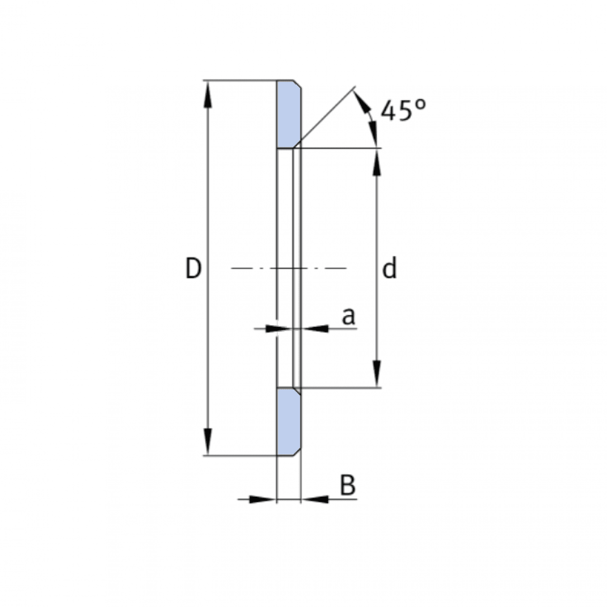
LS 3552 - INA

Rozmer: 35x52x3,5 Značka: INA
Skladom 1 ks na dopyt
+
-
ks