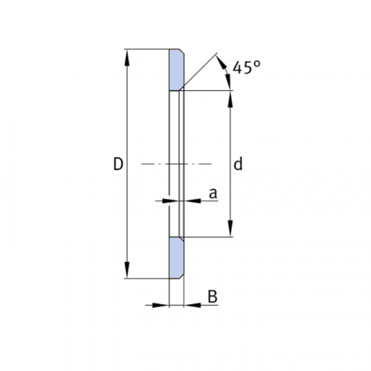
LS 75100 / KOYO

Rozmer: 80x105x1 Značka: KOYO-TORRINGTON
Externý sklad na dopyt
+
-
ks