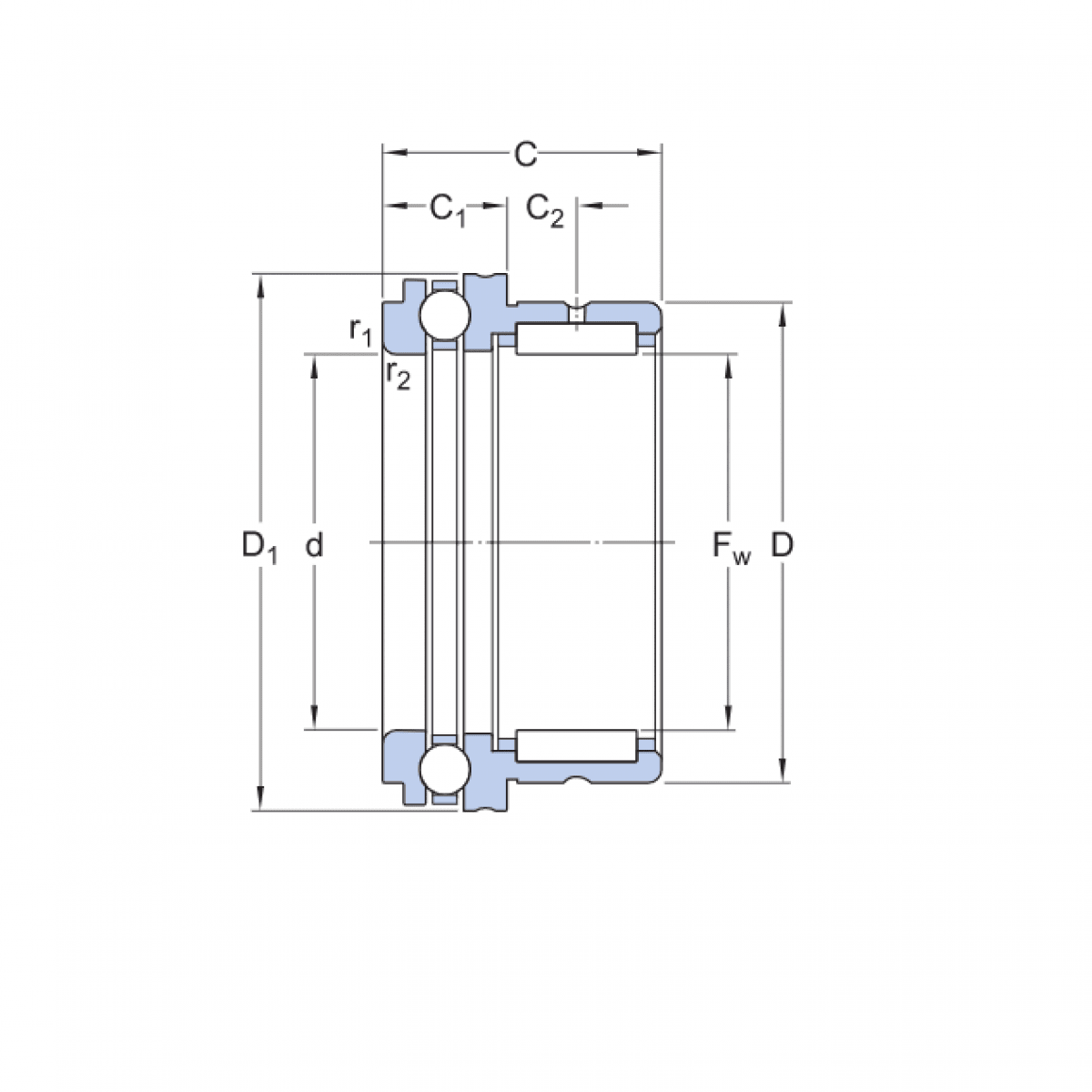
NAX 1023/IKO

Rozmer: 10x19x23
Externý sklad na dopyt
+
-
ks