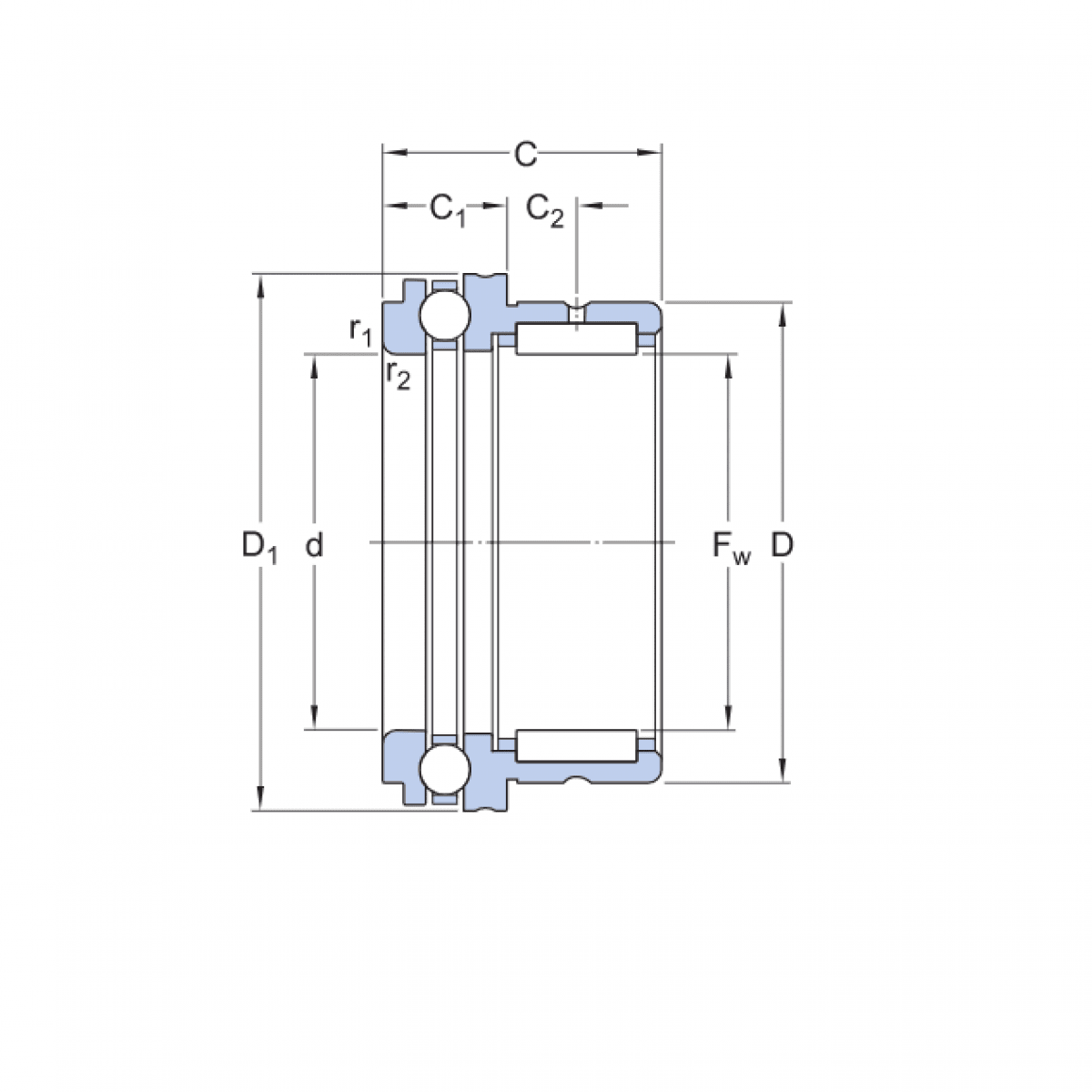
NAX 1725/IKO

Rozmer: 17x26x25
Externý sklad na dopyt
+
-
ks