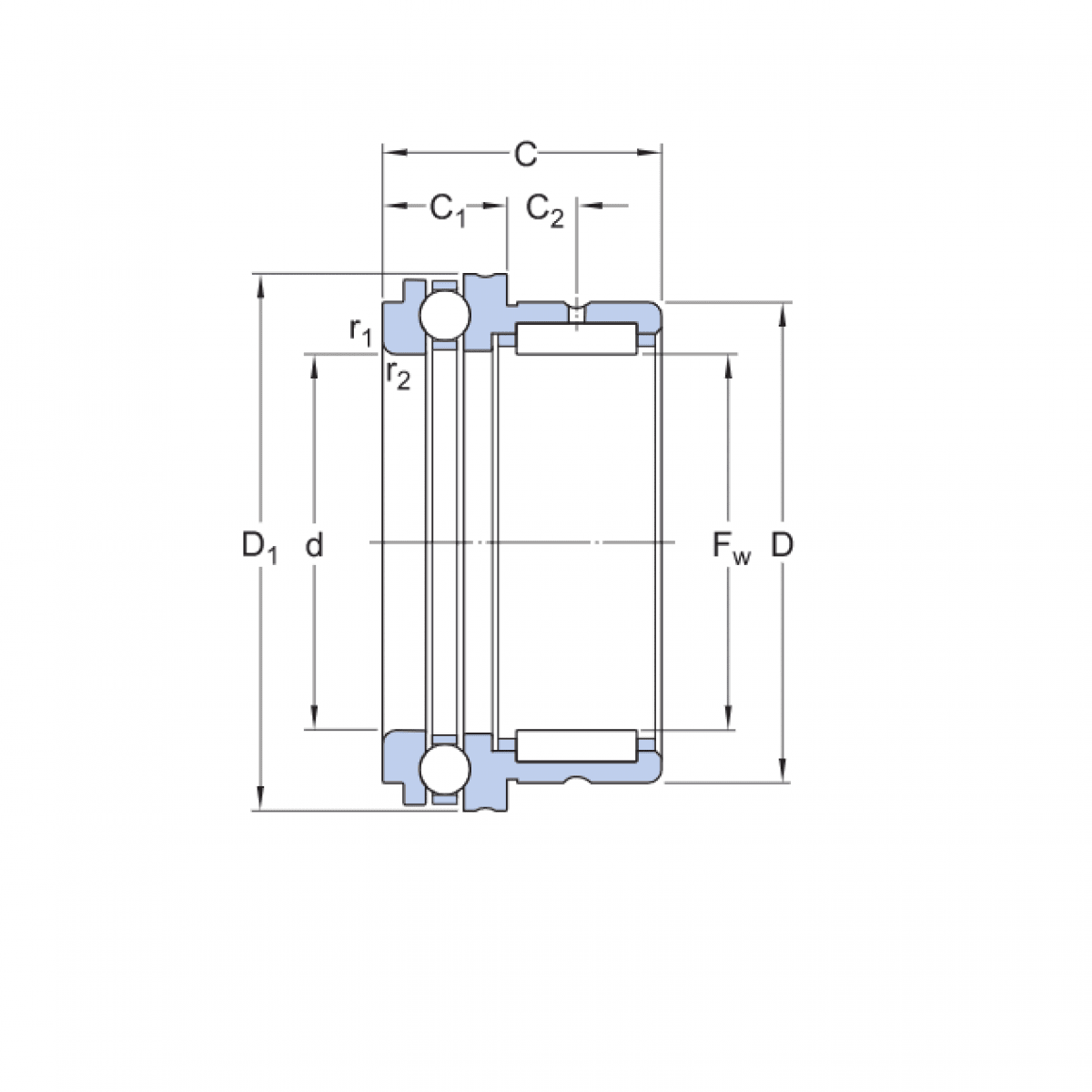
NAX 4032 DURKOPP

Rozmer: 40x52x32
Skladom 1 ks na dopyt
+
-
ks