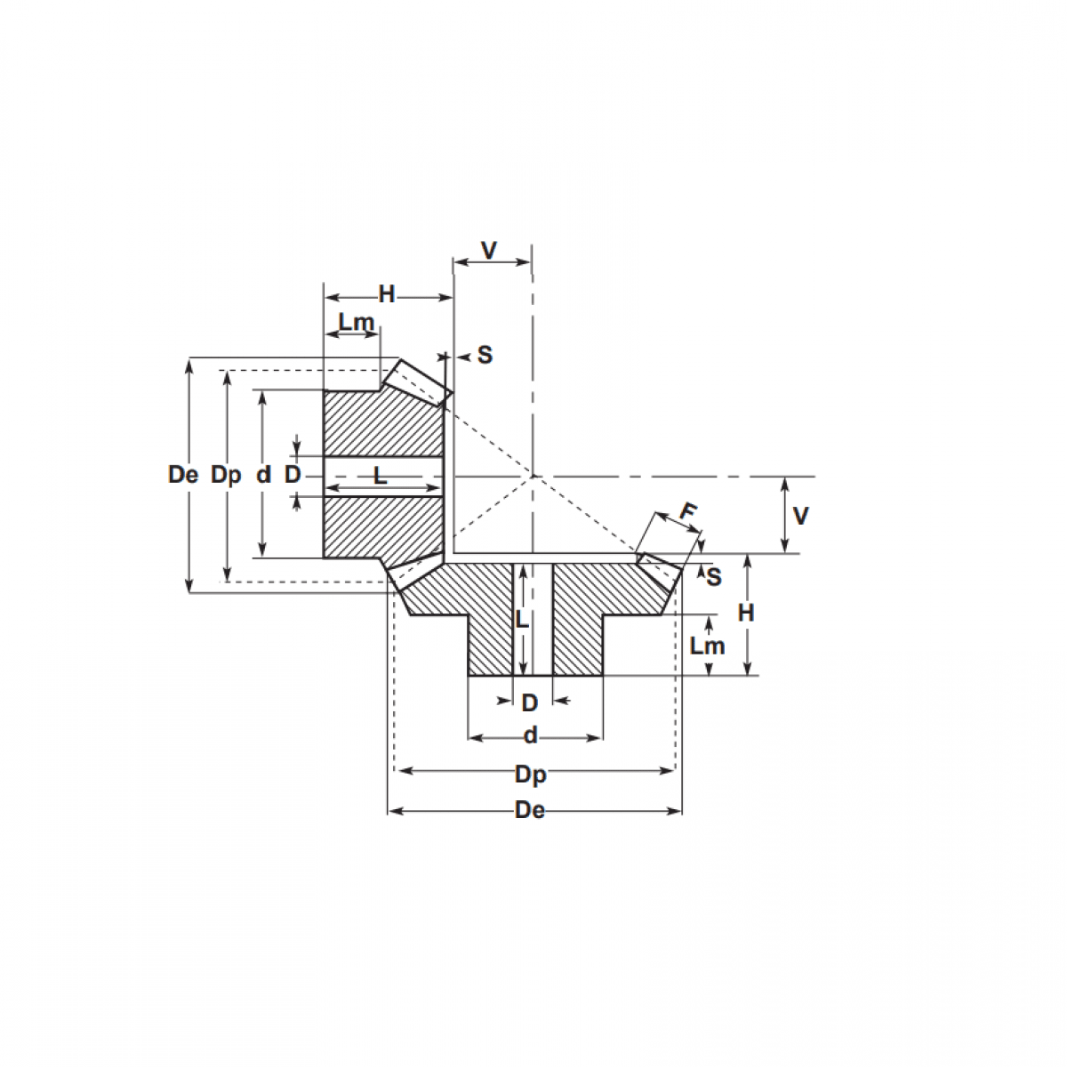
Ozubené koleso kuželové pár m=1,5-A Z=30/30

Rozmer: 1,5
Externý sklad na dopyt
+
-
ks