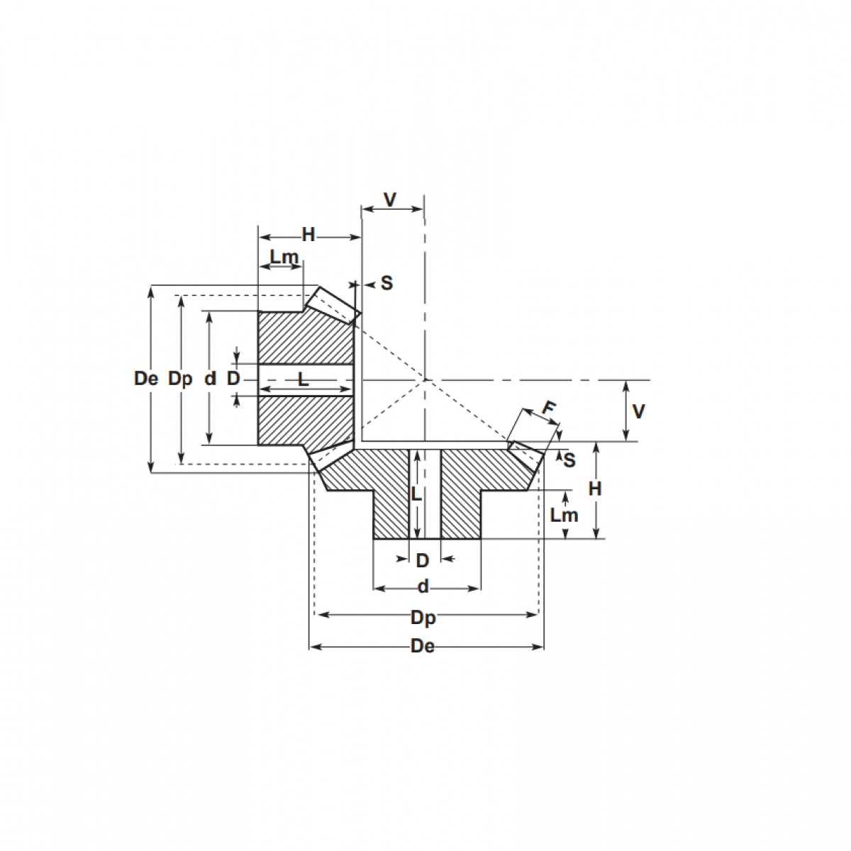
Ozubené koleso kuželové pár m=3,0-A Z=20/20

Rozmer: 3
Externý sklad na dopyt
+
-
ks