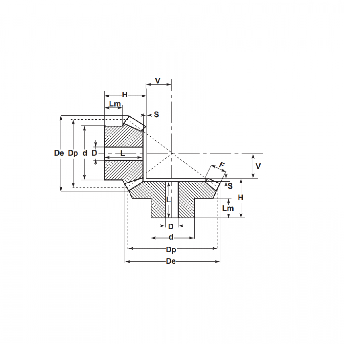
Ozubené koleso pár M=2,5 Z=16/16

Rozmer: 2,5
Externý sklad na dopyt
+
-
pár