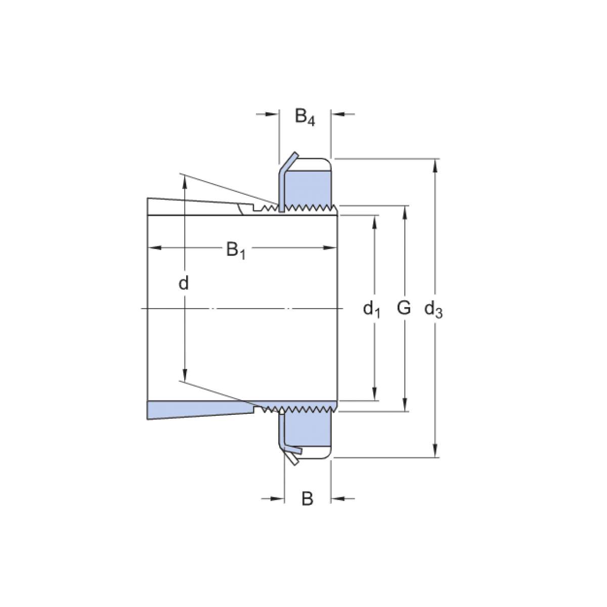
puzdro H 205 - CX

Rozmer: 20x38x26 Značka: CX
Skladom 17 ks na dopyt
+
-
ks