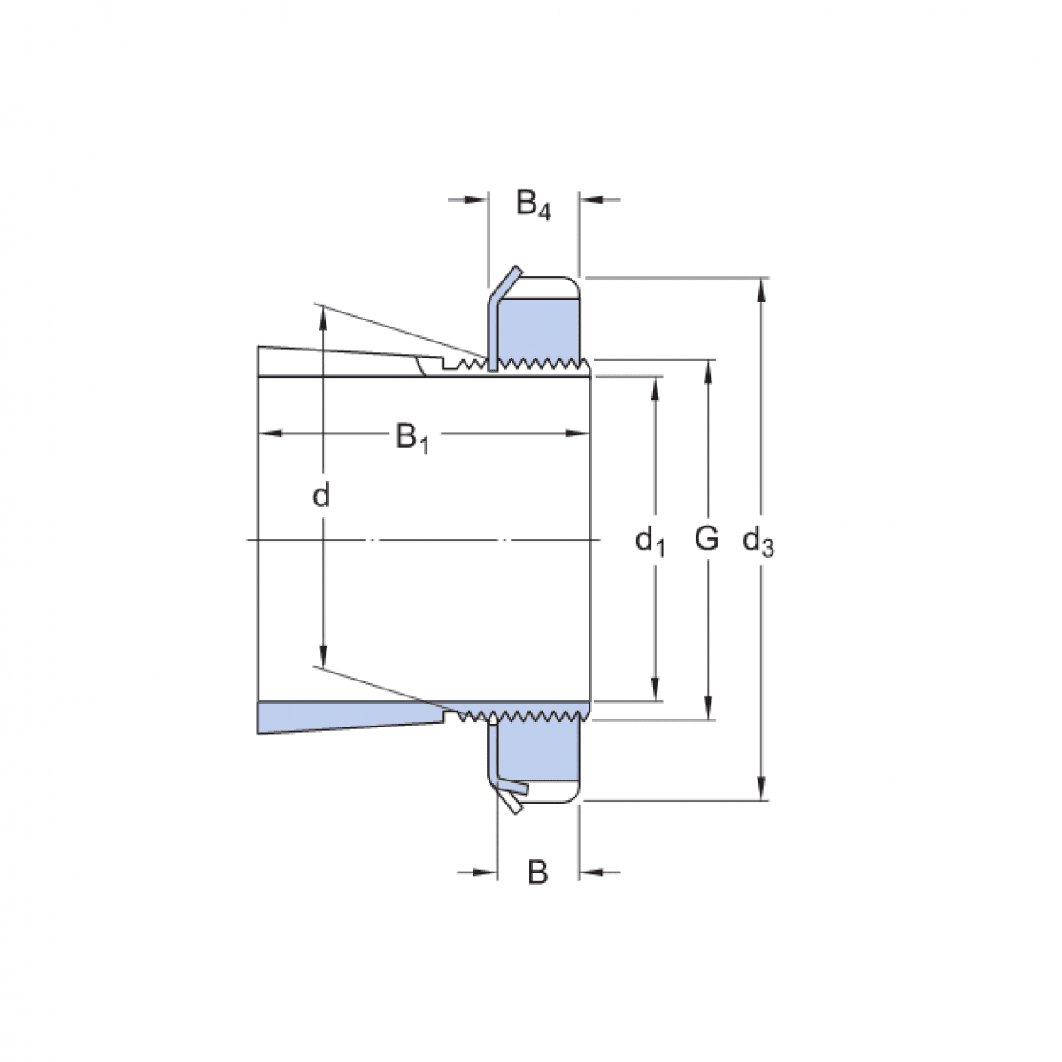
puzdro H 206 - CX

Rozmer: 25x45x27 Značka: CX
Skladom 4 ks na dopyt
+
-
ks