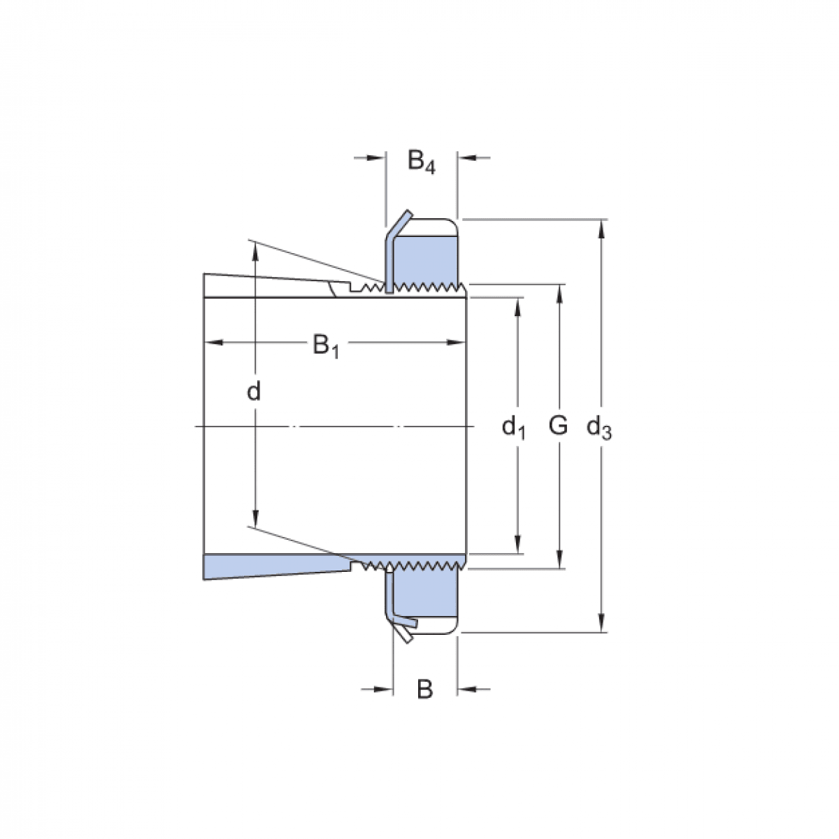
puzdro H 206 - FAG

Rozmer: 25x45x27 Značka: FAG
Skladom 2 ks na dopyt
+
-
ks