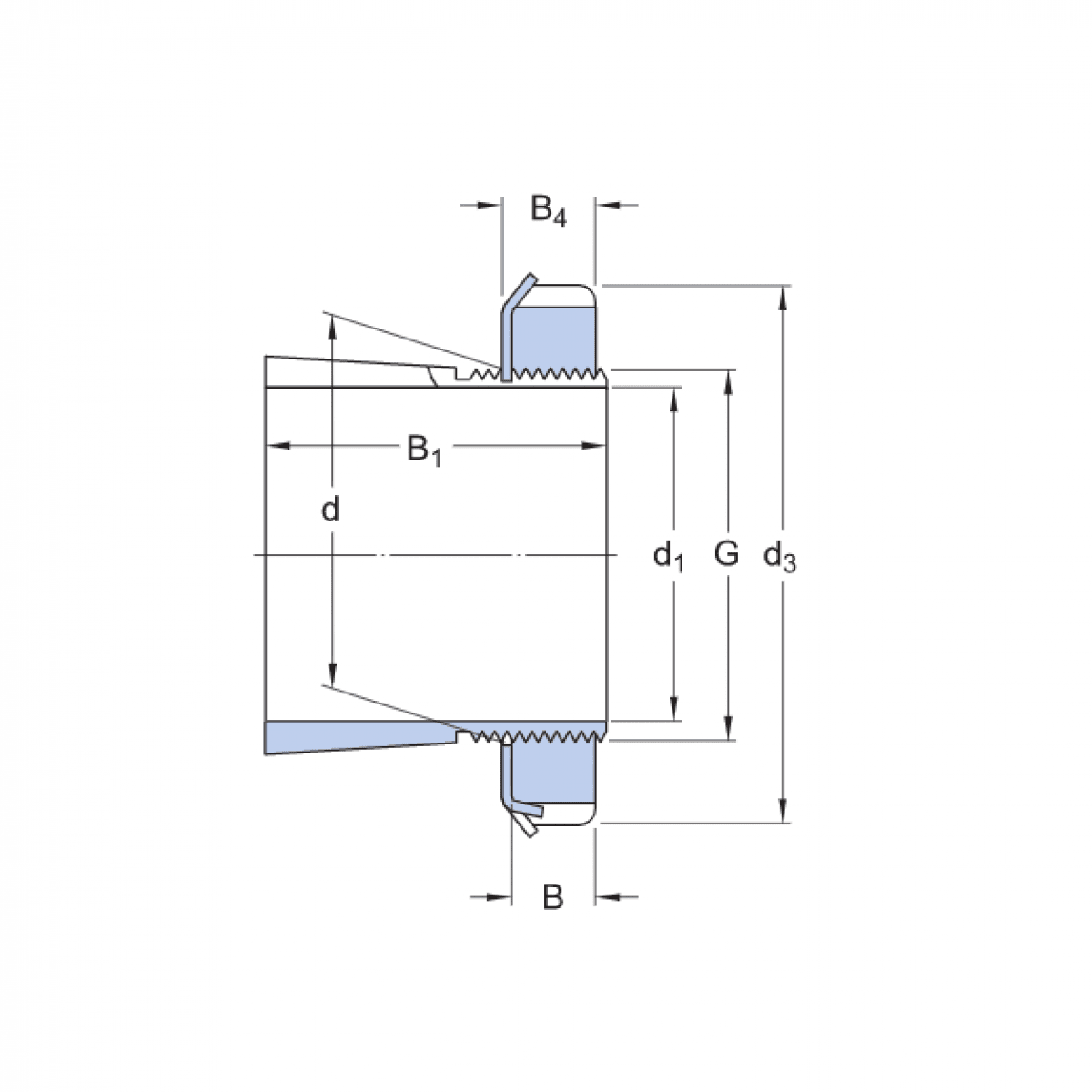
puzdro H 207 - MTM

Rozmer: 30x52x29 Značka: MTM
Skladom 8 ks na dopyt
+
-
ks