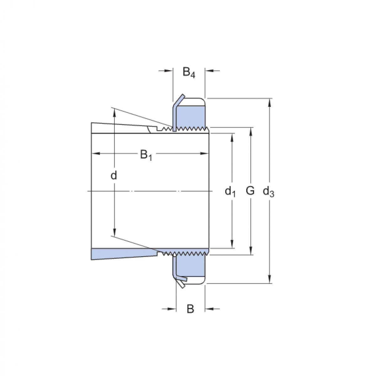
puzdro H 208 - CX

Rozmer: 35x58x31 Značka: CX
Externý sklad na dopyt
+
-
ks