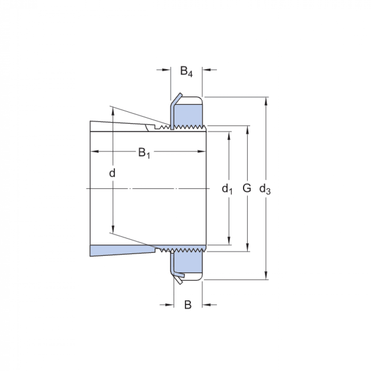
puzdro H 209 - CX

Rozmer: 40x65x33 Značka: CX
Skladom 11 ks na dopyt
+
-
ks