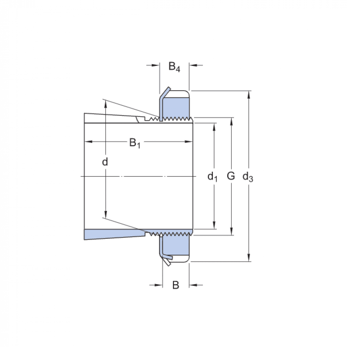
puzdro H 209 - FAG

Rozmer: 40x65x33 Značka: FAG
Externý sklad na dopyt
+
-
ks