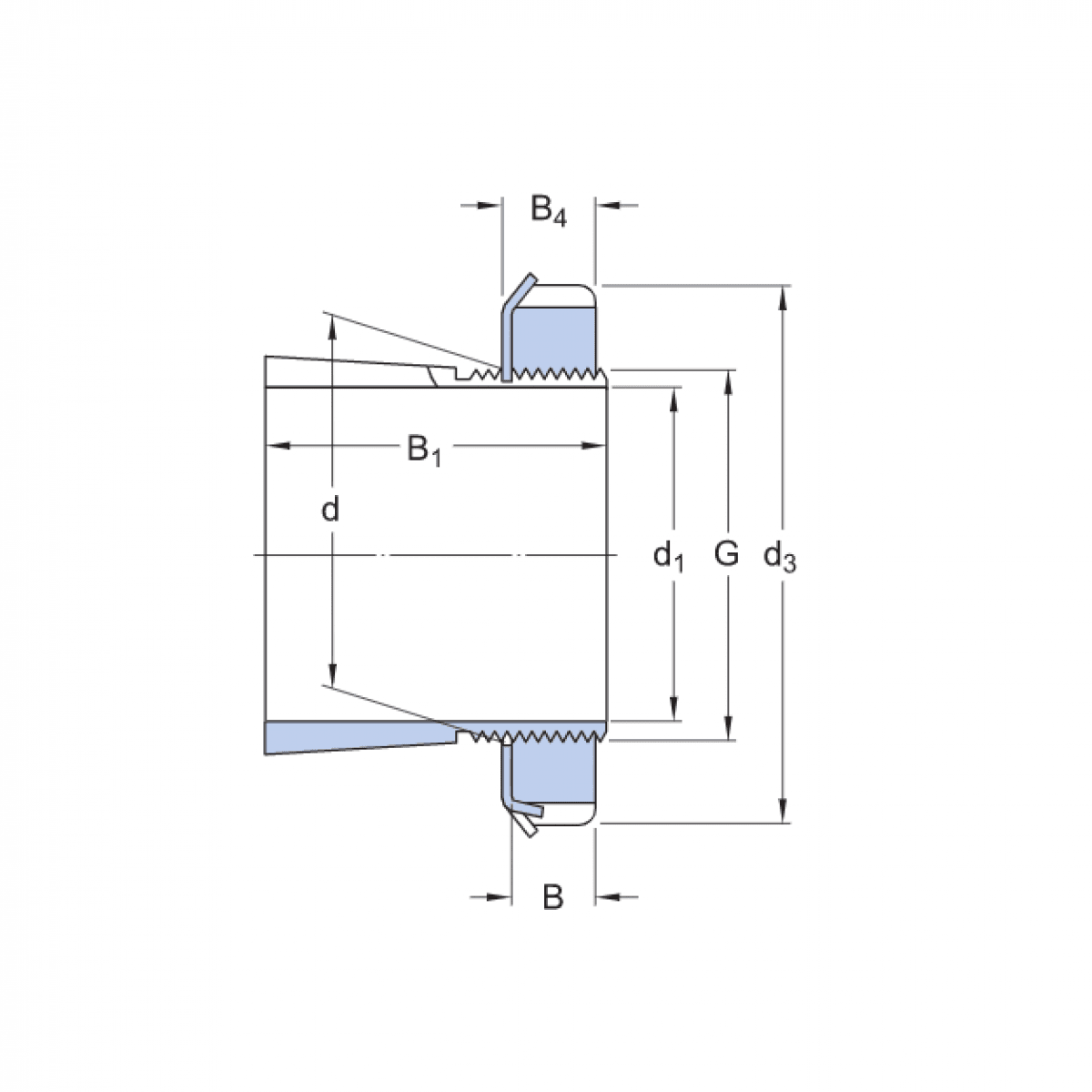
puzdro H 209 - KBS

Rozmer: 40x65x33 Značka: KBS, KBC
Skladom 1 ks na dopyt
+
-
ks