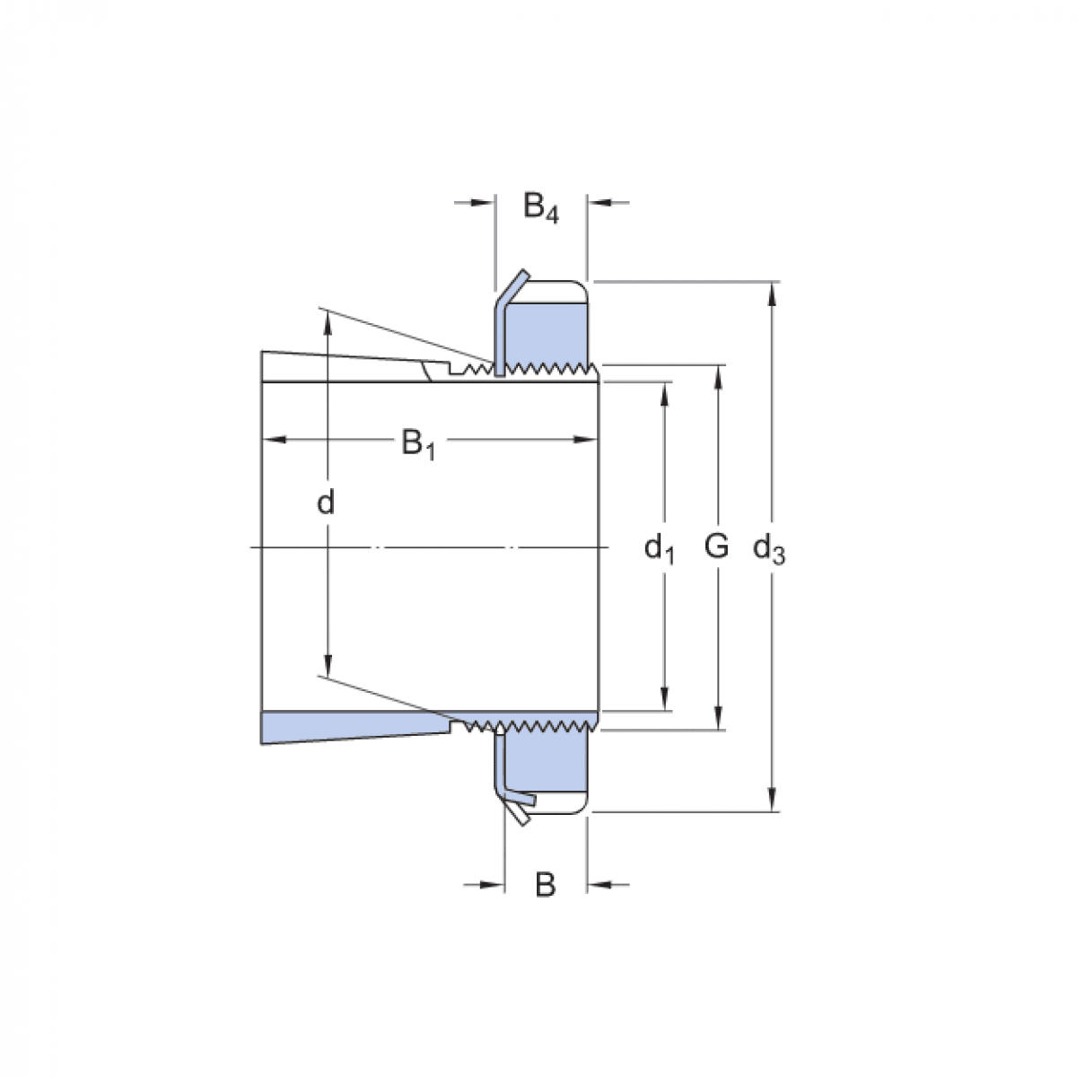
puzdro H 210 - MTM

Rozmer: 45x70x35 Značka: MTM
Skladom 8 ks na dopyt
+
-
ks