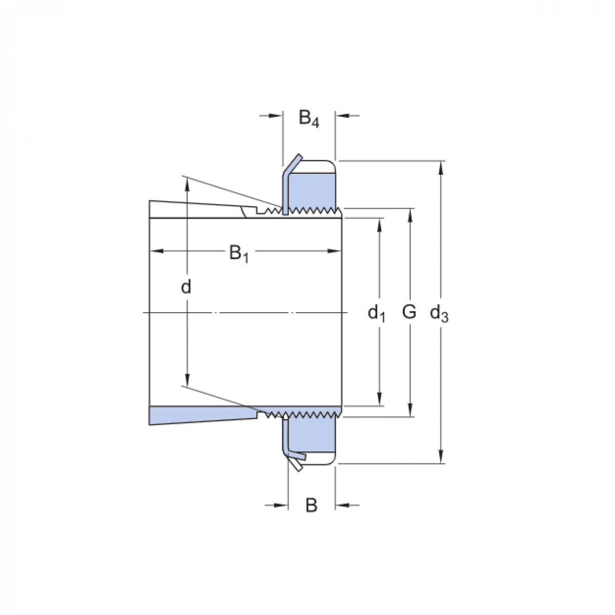
puzdro H 211 - CX

Rozmer: 50x75x37 Značka: CX
Externý sklad na dopyt
+
-
ks