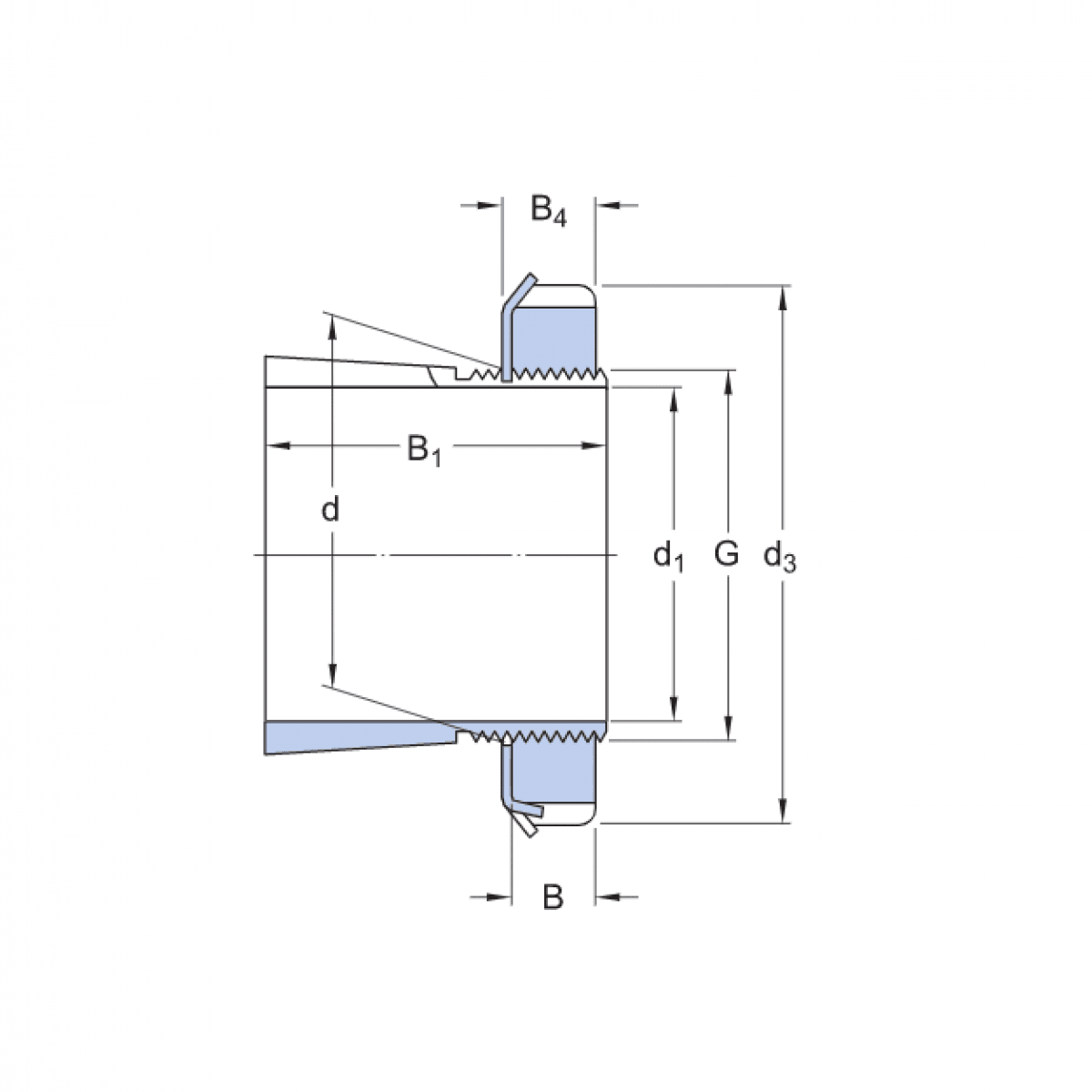
puzdro H 211 - SKF

Rozmer: 50x75x37 Značka: SKF
Externý sklad na dopyt
+
-
ks