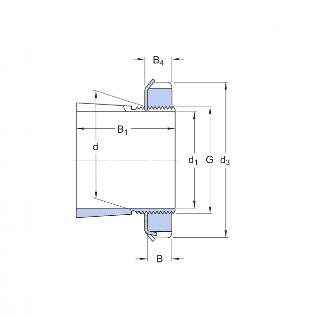
puzdro H 212 - FAG

Rozmer: 55x80x38 Značka: FAG
Externý sklad na dopyt
+
-
ks