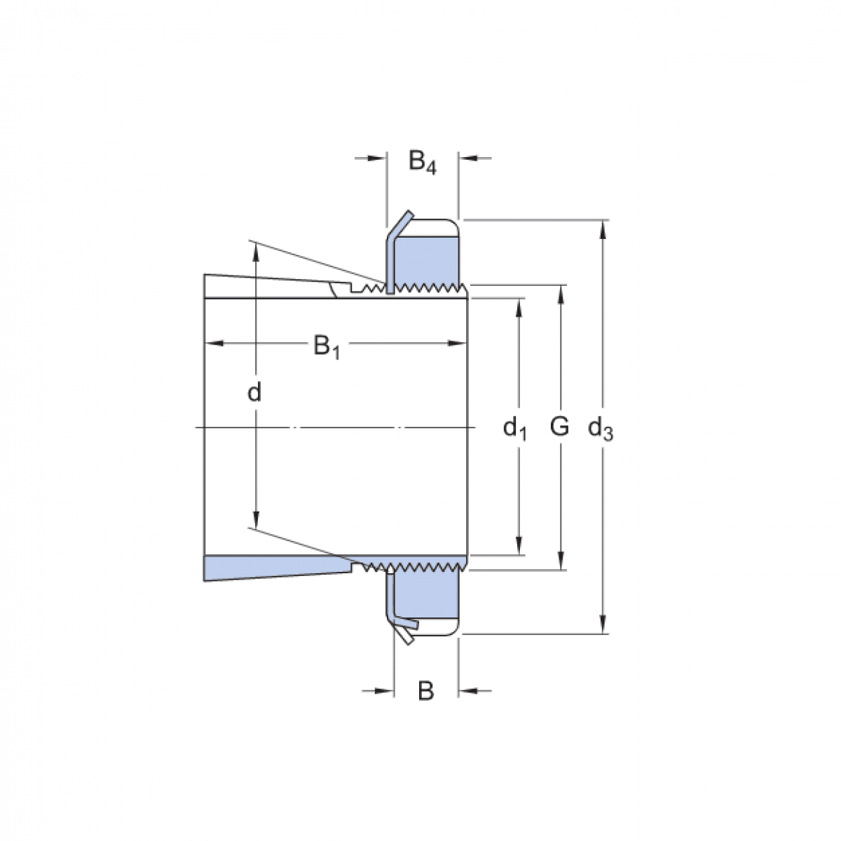
puzdro H 213 - CX

Rozmer: 60x85x40 Značka: CX
Skladom 1 ks na dopyt
+
-
ks