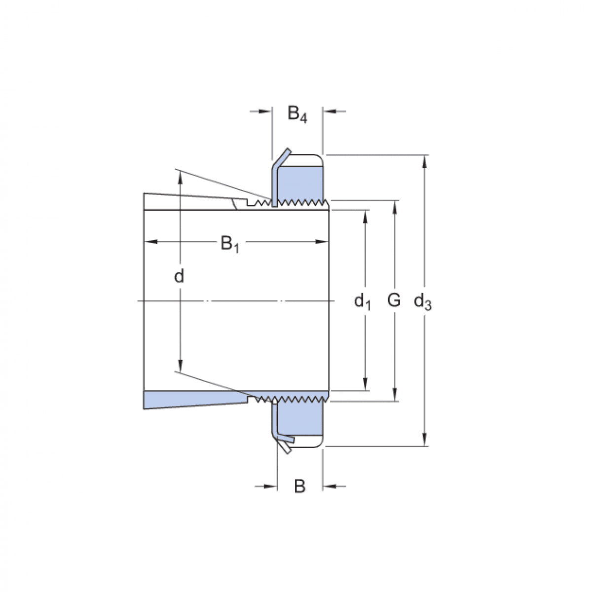
puzdro H 213 - MTM

Rozmer: 60x85x40 Značka: MTM
Externý sklad na dopyt
+
-
ks