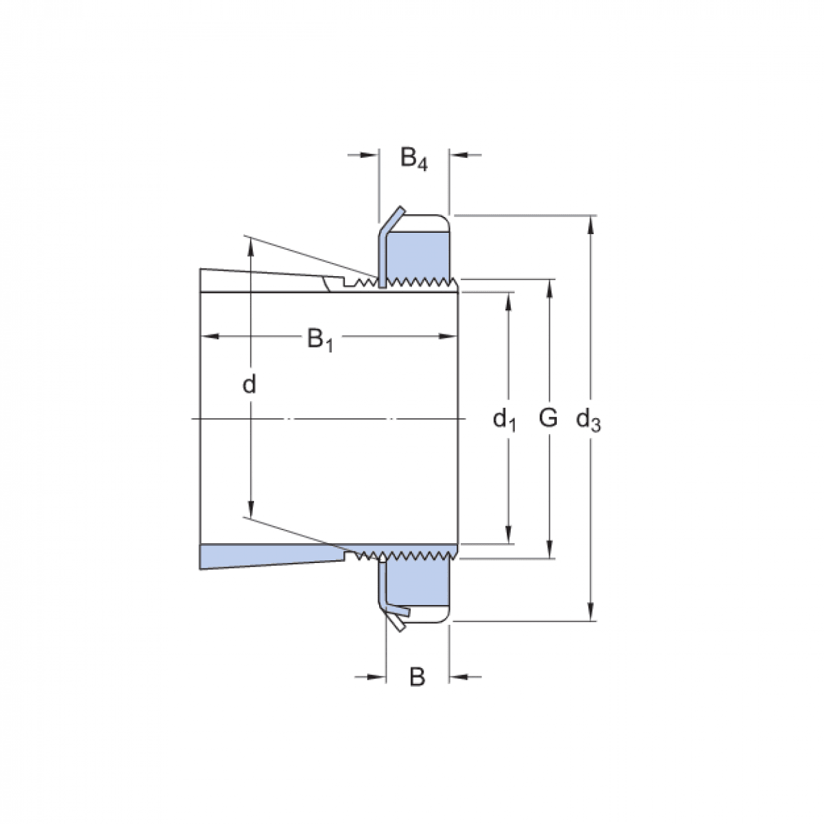
puzdro H 2304 - CX

Rozmer: 25x45x38 Značka: CX
Skladom 1 ks na dopyt
+
-
ks