puzdro H 2305 - MTM

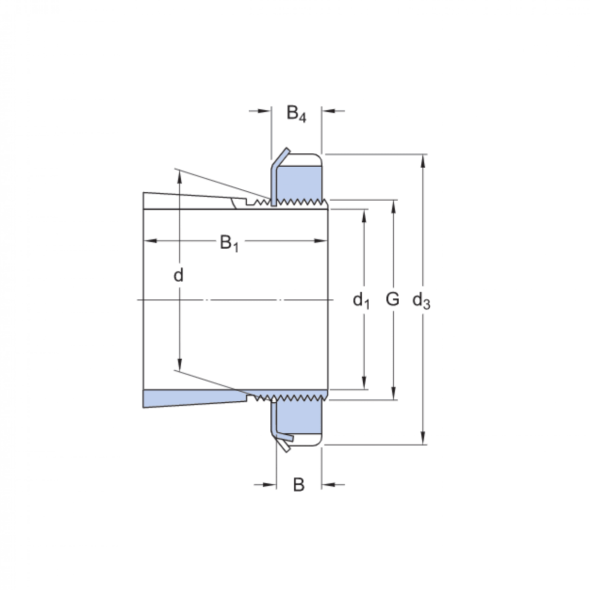
Rozmer: 25x45x38 Značka: MTM
Skladom 6 ks na dopyt
+
-
ks