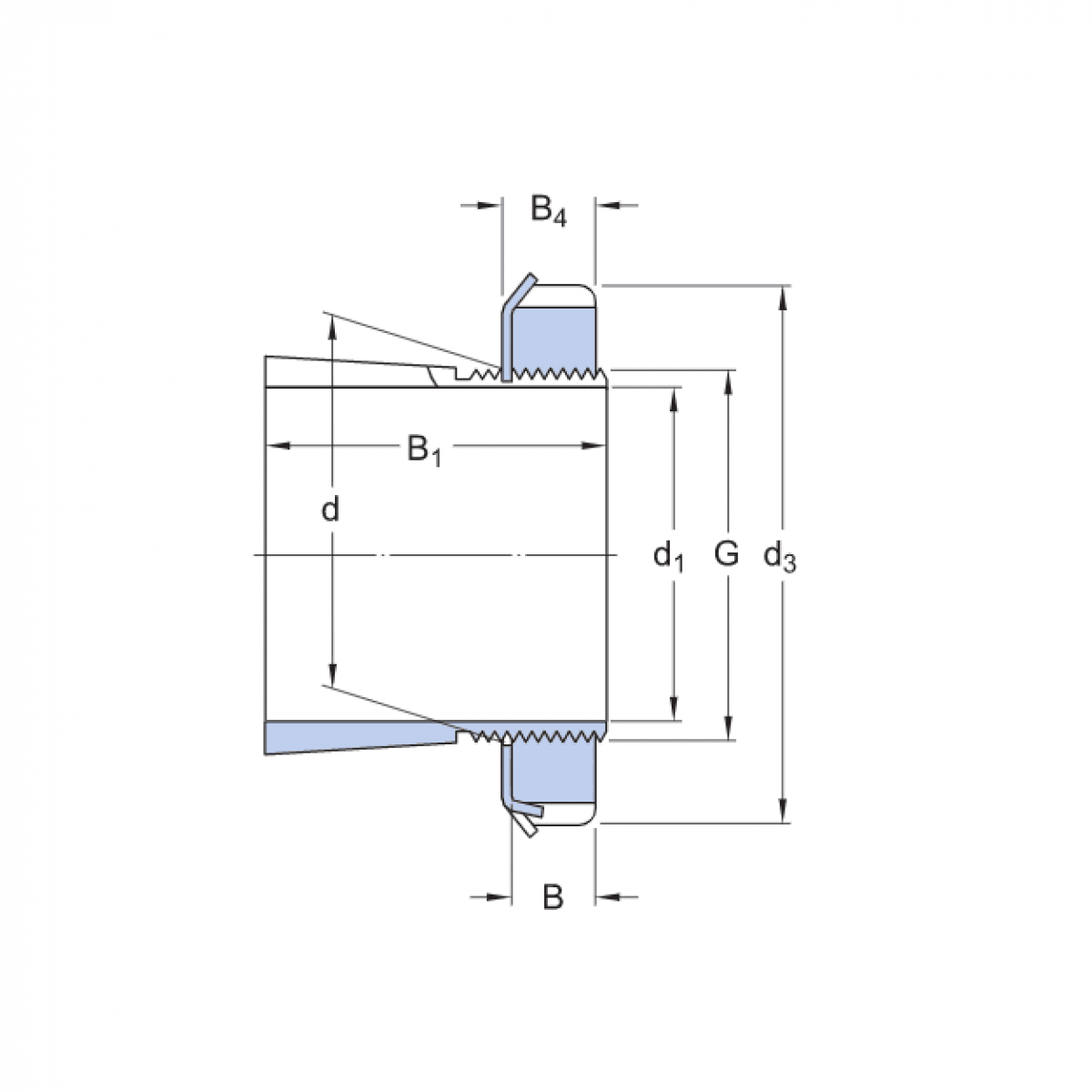
puzdro H 2306 - FBJ

Rozmer: 25x45x38 Značka: FBJ
Externý sklad na dopyt
+
-
ks