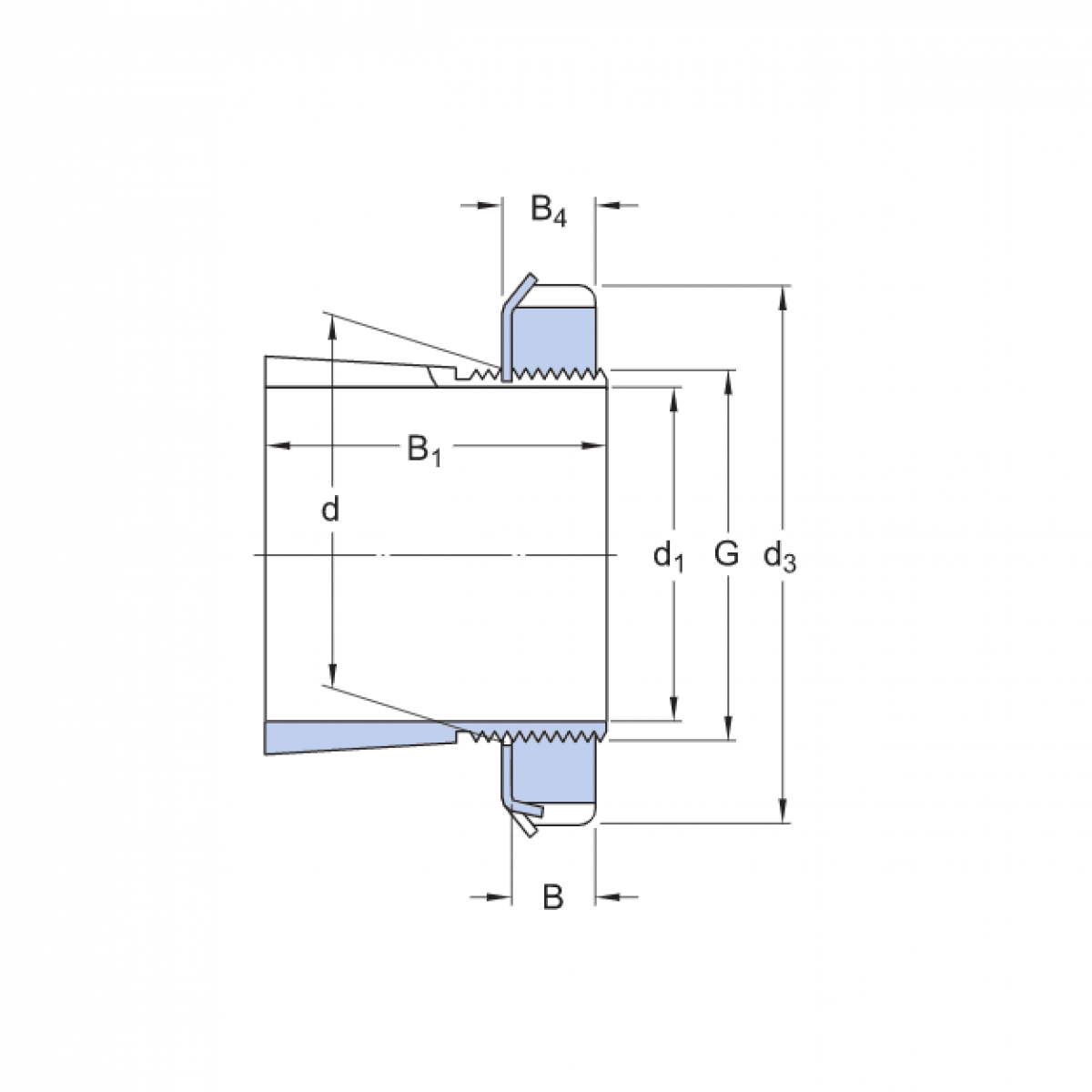
puzdro H 2306 - MTM

Rozmer: 25x45x38 Značka: MTM
Skladom 5 ks na dopyt
+
-
ks