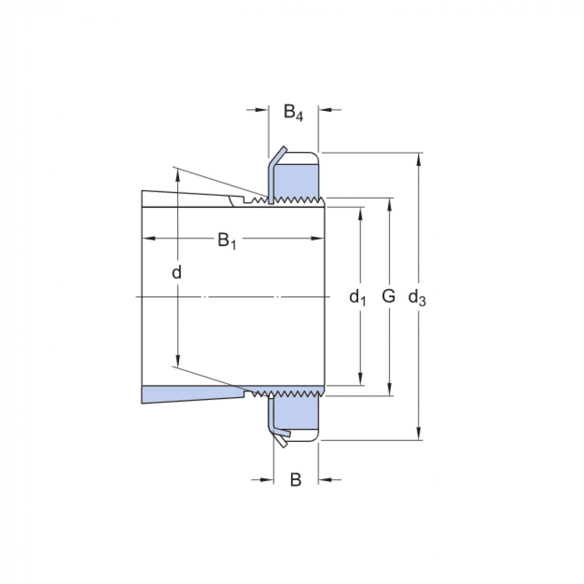
puzdro H 2307 - CX, FBJ

Rozmer: 30x52x43 Značka: CX
Externý sklad na dopyt
+
-
ks