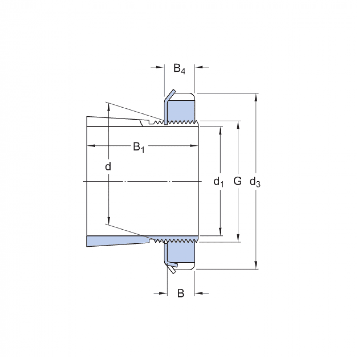
puzdro H 2308 - CX

Rozmer: 35x58x46 Značka: CX
Externý sklad na dopyt
+
-
ks