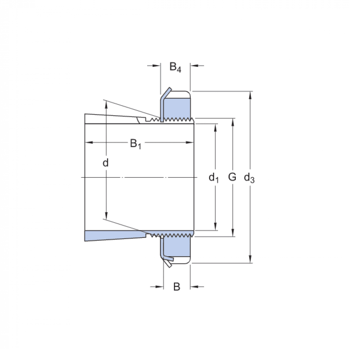
puzdro H 2308 - MTM

Rozmer: 35x58x46 Značka: MTM
Skladom 3 ks na dopyt
+
-
ks