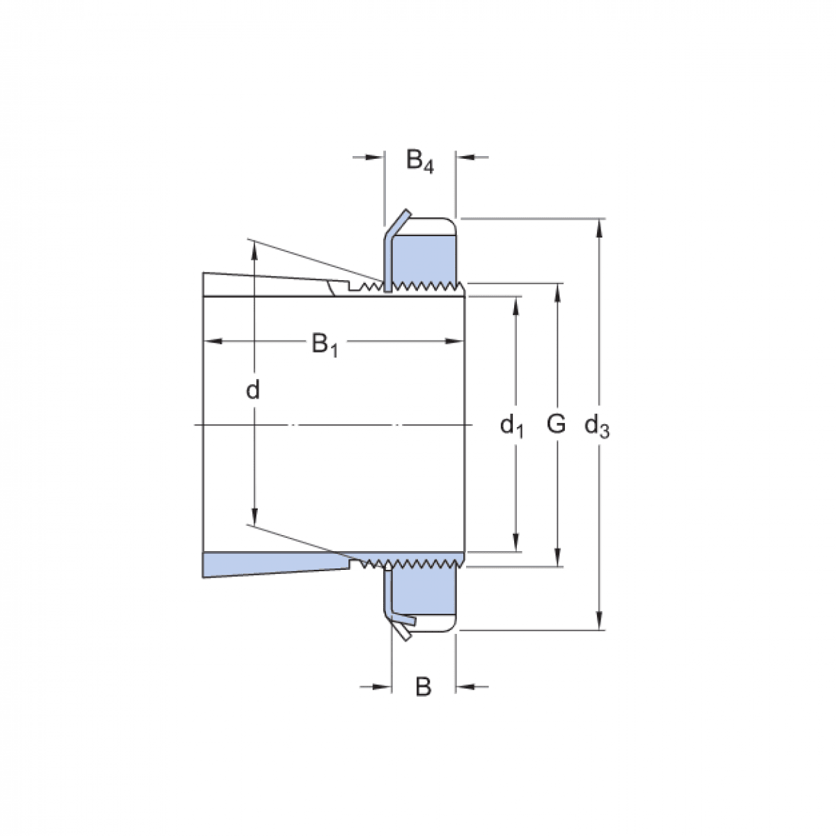
puzdro H 2309 - FAG, SKF

Rozmer: 40x65x50 Značka: FAG
Externý sklad na dopyt
+
-
ks