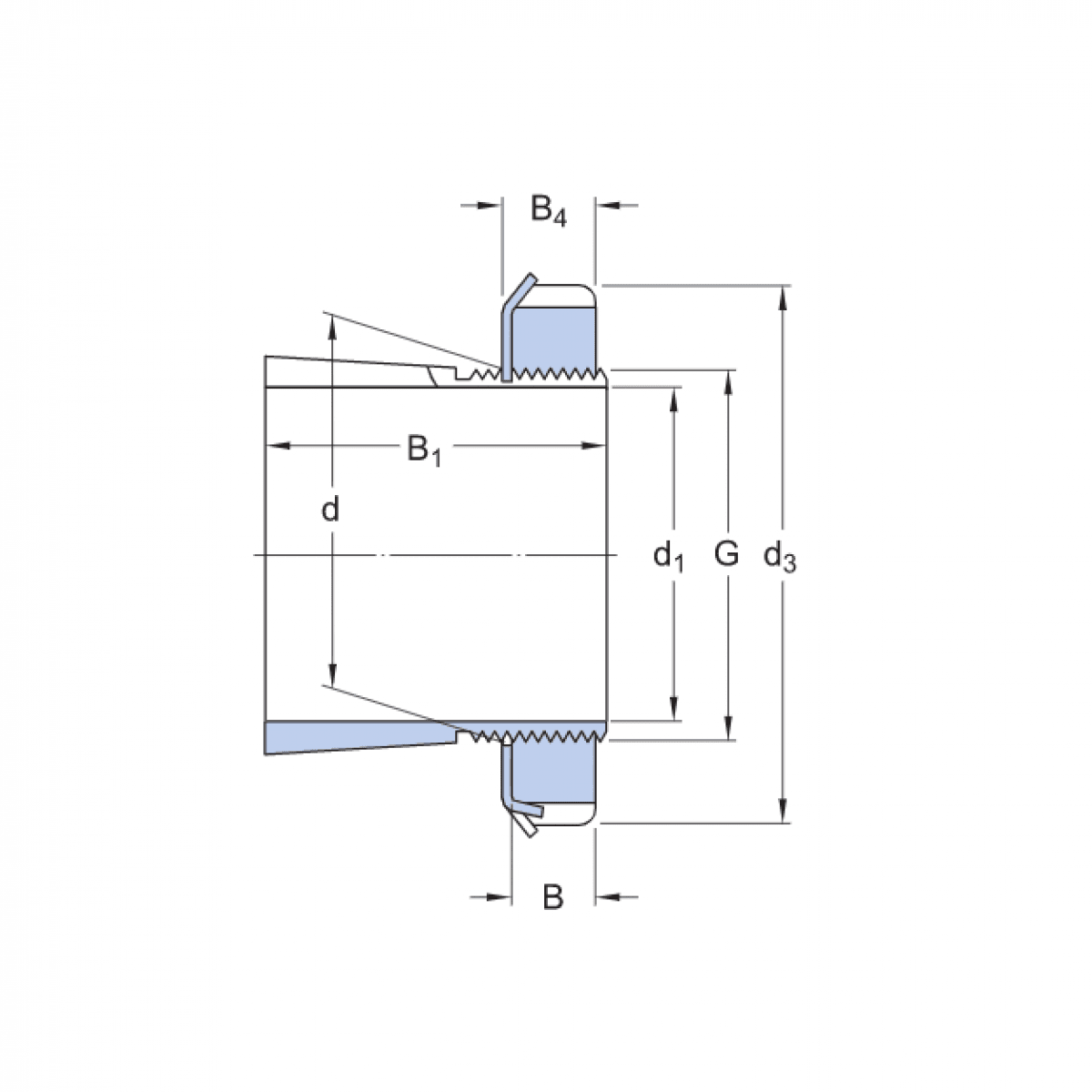
puzdro H 2311 - FAG

Rozmer: 50x70x59 Značka: FAG
Skladom 3 ks na dopyt
+
-
ks