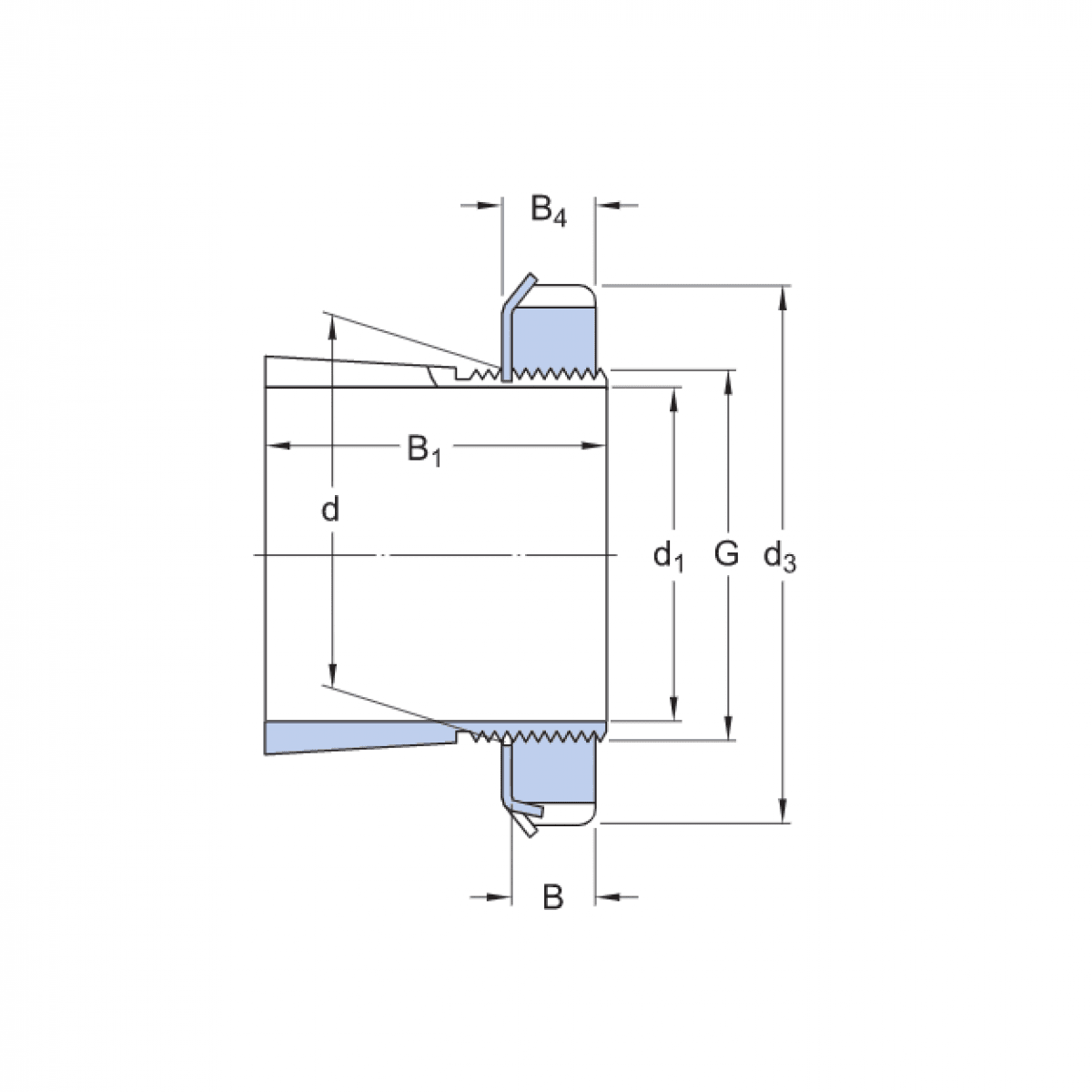
puzdro H 2311 - MTM

Rozmer: 50x70x59 Značka: MTM
Skladom 3 ks na dopyt
+
-
ks