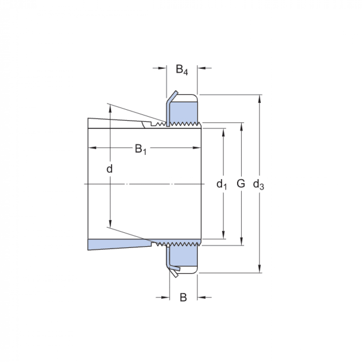
puzdro H 2313 - MTM

Rozmer: 60x85x65 Značka: MTM
Skladom 2 ks na dopyt
+
-
ks