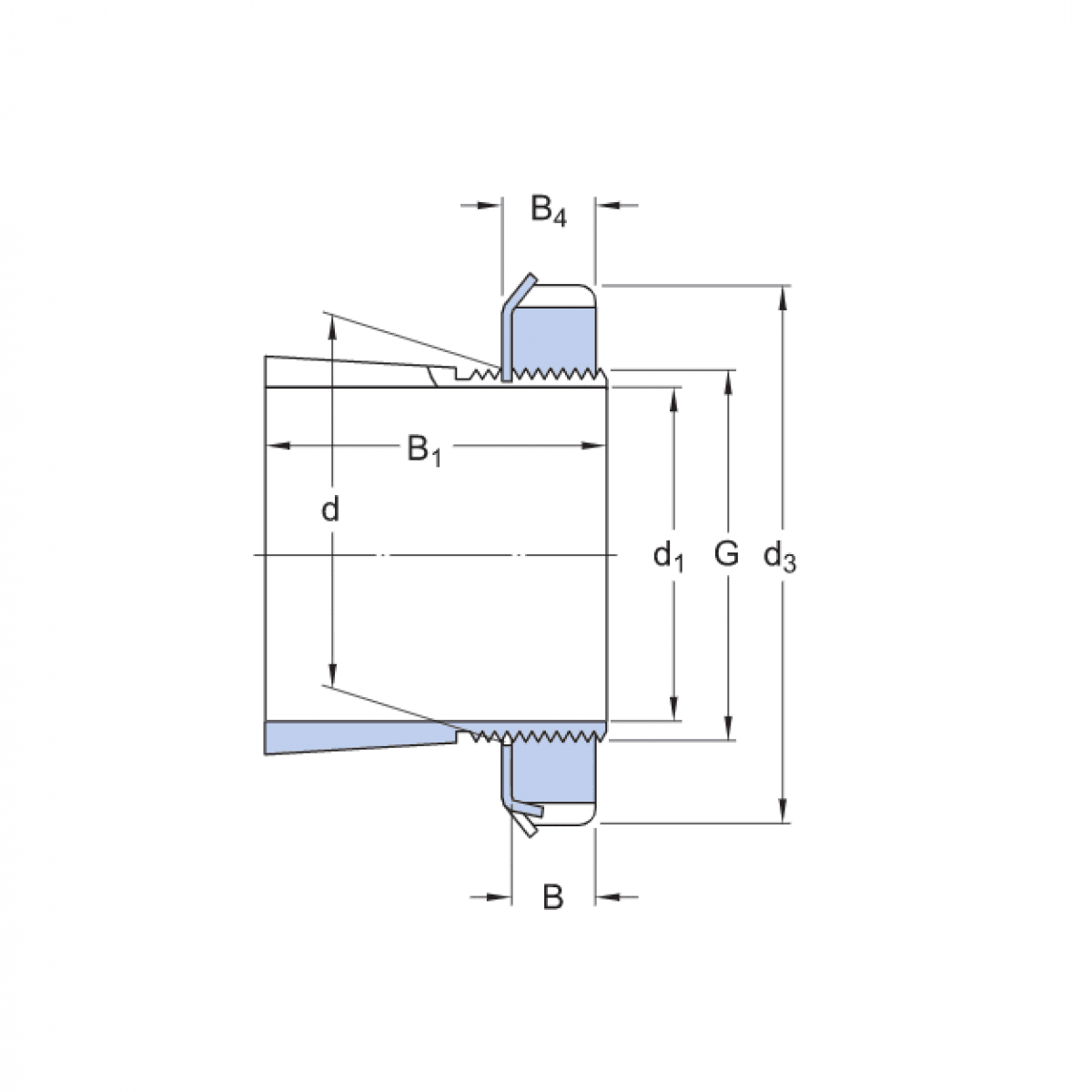
puzdro H 2314 - CX

Rozmer: 60x92x68 Značka: CX
Externý sklad na dopyt
+
-
ks