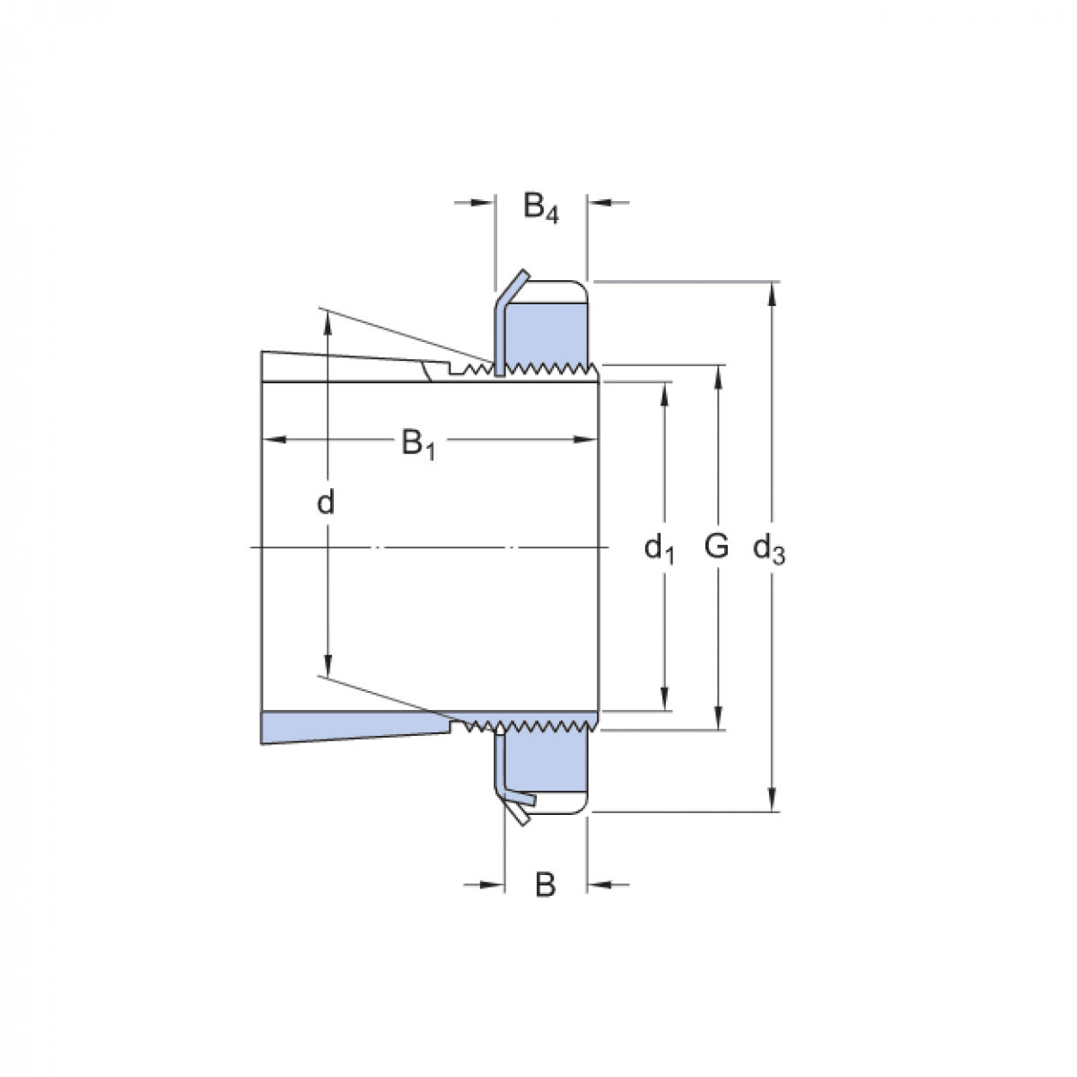
puzdro H 2322 - MTM

Rozmer: 100x145x105 Značka: MTM
Skladom 1 ks na dopyt
+
-
ks