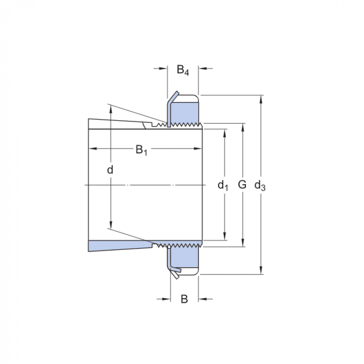
puzdro H 2322 - SKF

Rozmer: 100x145x105 Značka: SKF
Skladom 2 ks na dopyt
+
-
ks