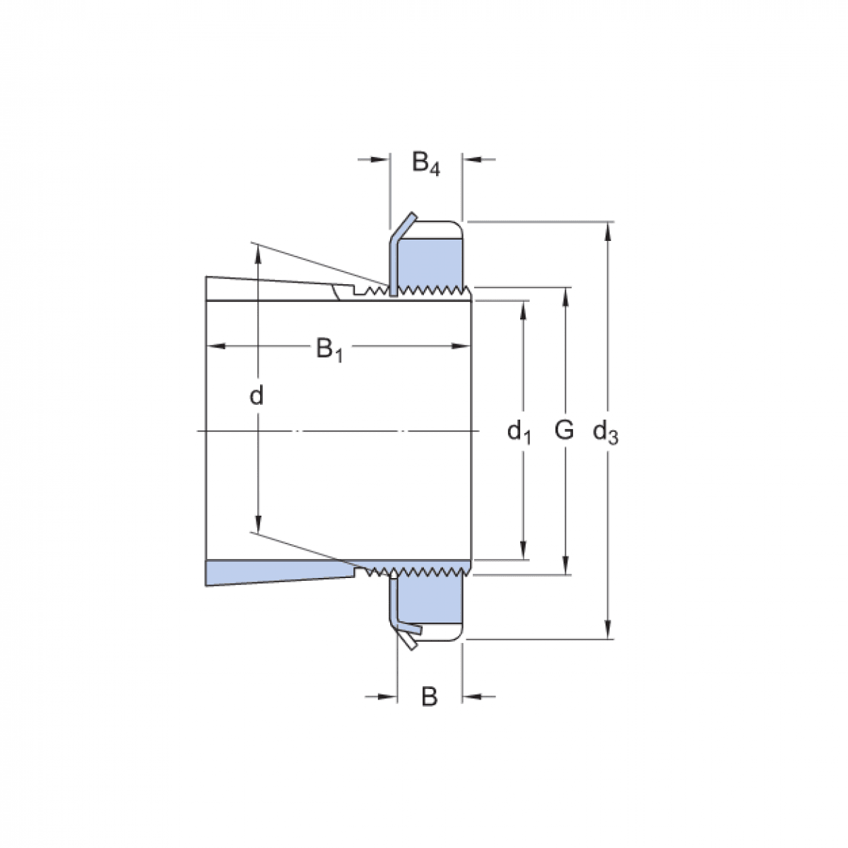
puzdro H 306 - FAG

Rozmer: 25x45x31 Značka: FAG
Externý sklad na dopyt
+
-
ks