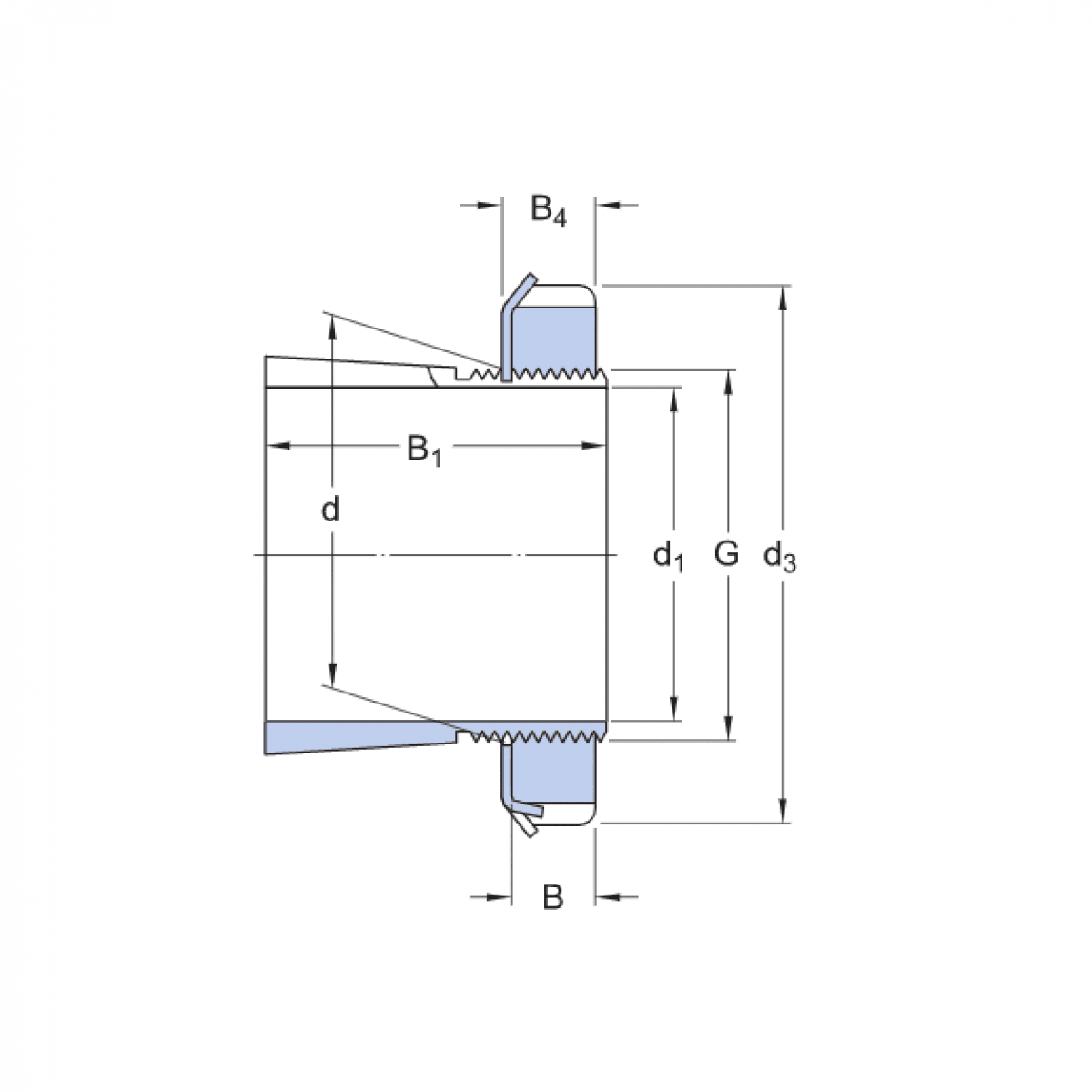
puzdro H 307 - CX

Rozmer: 30x52x35 Značka: CX
Externý sklad na dopyt
+
-
ks